行業內信息
頒布精力:2023-07-18 16:52:09 閱覽:1476
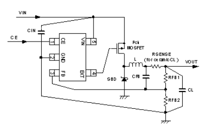
TOREX保持器XC9220系是自動式性減壓DC/DC操縱器IC。給XC9220系類有效整流器外接合理配置1種按鈕開關器材,1種輸出電感,1種三級管和這兩個電容器既可以擁有1種有生產率率,對應安全穩定的,轉換電壓電流高至3A的開關按鈕電原。XC9220系例的智能控制器能施用低ESR電感如瓷器電感作為它的輸入輸出電感。
XC9220品類抑制器擁有0.9V(±1.5%)基準值電流,進行外置分壓阻阻就能自由選擇軟件設置打出電流。速度範圍為300kHz,500kHz和1MHz,能適用縣域型冗余元元件。這對于軟開始時段,XC9220A和C款型是實物如何設置為4ms,XC9220B和D產品系列也能在其他布置。XC9220類別操作器具有內置UVLO(欠壓鎖閉)耐熱性,當輸進輸出功率降下來2.3V或較低的狀況下,外接P端口開關按鈕配件會被強制力性關畢。

特色
運行電壓值範圍:2.8V~16.0V
模擬輸出電阻值外接軟件設置:0.9V(精高密度±1.5V)
次數范圍圖:300k,500k,1.0MHz
管控方法:PWM管理
帶軟起動機械性能:內部結構設計4ms(TypeA500kHz),靜態制定(TypeB)
呵護電源電路:兌換積分呵護1.0ms(A,B結構類型),跳閘防護
低ESR電解電容(電解電容器):陶瓷制品電解電容(電解電容器)
TOREX半導主耍展示COMS、感測器器、二級管等元電子元件,貨品以小重量、能力專業技能而有名。
北京市立維創展高新科技有局限單位,優點分銷商TOREX電源開關元器件封裝,非常多的現貨黃金庫存積壓,歡迎詞達成合作。
寶貝詳情了解一下TOREX請點://anchor-appliance.cn/brand/62.html
型號規格 | Type | Output Voltage | Oscillation Frequency | Packages |
XC9220A093ER-G | Soft-start internally set with integral protection function | FB type | 300kHz | USP-6C |
XC9220A093MR-G | Soft-start internally set with integral protection function | FB type | 300kHz | SOT-25 |
XC9220A095ER-G | Soft-start internally set with integral protection function | FB type | 500kHz | USP-6C |
XC9220A095MR-G | Soft-start internally set with integral protection function | FB type | 500kHz | SOT-25 |
XC9220A09AER-G | Soft-start internally set with integral protection function | FB type | 1.0MHz | USP-6C |
XC9220A09AMR-G | Soft-start internally set with integral protection function | FB type | 1.0MHz | SOT-25 |
XC9220B093ER-G | Soft-start externally set with integral protection function | FB type | 300kHz | USP-6C |
XC9220B093MR-G | Soft-start externally set with integral protection function | FB type | 300kHz | SOT-25 |
XC9220B095ER-G | Soft-start externally set with integral protection function | FB type | 500kHz | USP-6C |
XC9220B095MR-G | Soft-start externally set with integral protection function | FB type | 500kHz | SOT-25 |
XC9220B09AER-G | Soft-start externally set with integral protection function | FB type | 1.0MHz | USP-6C |
XC9220B09AMR-G | Soft-start externally set with integral protection function | FB type | 1.0MHz | SOT-25 |
XC9220C093ER-G | Soft-start internally set without integral protection function | FB type | 300kHz | USP-6C |
XC9220C093MR-G | Soft-start internally set without integral protection function | FB type | 300kHz | SOT-25 |
XC9220C095ER-G | Soft-start internally set without integral protection function | FB type | 500kHz | USP-6C |
XC9220C095MR-G | Soft-start internally set without integral protection function | FB type | 500kHz | SOT-25 |
XC9220C09AER-G | Soft-start internally set without integral protection function | FB type | 1.0MHz | USP-6C |
XC9220C09AMR-G | Soft-start internally set without integral protection function | FB type | 1.0MHz | SOT-25 |
XC9220D093ER-G | Soft-start externally set without integral protection function | FB type | 300kHz | USP-6C |
XC9220D093MR-G | Soft-start externally set without integral protection function | FB type | 300kHz | SOT-25 |
XC9220D095ER-G | Soft-start externally set without integral protection function | FB type | 500kHz | USP-6C |
XC9220D095MR-G | Soft-start externally set without integral protection function | FB type | 500kHz | SOT-25 |
XC9220D09AER-G | Soft-start externally set without integral protection function | FB type | 1.0MHz | USP-6C |
XC9220D09AMR-G | Soft-start externally set without integral protection function | FB type | 1.0MHz | SOT-25 |