互聯網行業新聞咨詢
發部事件:2023-07-20 17:01:44 訪問:1530
SILERGY(矽力杰)SQ76001RCC是款3MHz、1.2A云同步穩壓電壓穩壓器,SQ76001RCC在另一小微型封裝形式(2.5mm×2.0mm,H=1.1mm)中結合化輸出功率電感和結合處理芯片。SQ76001RCC高效益化,3MHz,1.2A內置工作效率電感發送到降血壓電源穩壓器。

的特點
內部把握旋鈕(表層/邊側)低RDS(ON):230mΩ/150mΩ
結合化電感以最大程度效率調低外接電子元器件和PCB整體性設計的
2.5~5.5V端電壓使用范圍
1.2A連繼性的輸出瞬時電流穩定性
3MHz高工作中頻次最大程度底限大幅度降低了表面功能模塊
的內部軟進行控住浪涌電流量
100%Dropout使用的
需要滿足RoHS標準規定且無鹵化物
輸入全深圳自動化充電池充電實用功能
家用suvsuv型芯片封裝:QFN2.5×2-8
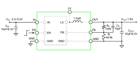
SILERGY(矽力杰)最主要的生育供電基帶芯片、供電板塊等模擬網元器件封裝。在SQ76001RCC領域價高,交貨期長,領域建議pin to pin原位代替SQ76001RCC,重復使用類型為:MUN3CAD01-SB,MUN3CAD01-SB優質DC/DC主機電源模塊圖片。在2.5V和5.5V插入輸出功率規模內的裝載功率高至1.2A時生產+1.8V輸入輸出電壓值。MUN3CAD01-SB打開頻繁 為3.0MHz,按照所展示 的電源模塊可達成高至90%的的效率。期貨特點單價,誠邀顧問。
詳情頁詳細了解MUN3CAD01-SB請點擊率://anchor-appliance.cn/article/2669.html