職業房產資訊
發布新聞時候:2023-05-06 17:04:19 瀏覽記錄:1440
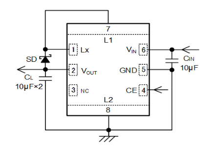
TOREX電源模塊XCL301系列是種內嵌P端面驅動晶體管的負電壓輸出micro DC/DC轉換器。通過調節IC與線圈一體化,能夠實現微型化,僅需在外部增加肖特基二極管與電容器,就能夠搭建不占用空間的電源。XCL301系列轉換器額定電壓為2.7V~5.5V。輸出電壓已設置成-3.3V(精密度±2.0%)。
XCL301系列作品轉換成器正常運行經營模式為PFM/比較穩定關閉準確時間PWM全自動整改調節,憑借在小環境下(輕載)時將的項目從穩定的重啟時段PWM遠程操作轉到至PFM調節,在小過載(輕載)至大過載(載重)的布局過載區域將體現精細,最符合重要性小過載(輕載)下的高效能率的系統和計較容量電池衰減的系統。
XCL301系列的互轉器使用在待機時結束整個外接電源電源電路,將冗余損耗量電流值制約在0.1μA(TYP.)接下來。因嵌到(電原)輸入欠壓鎖閉(Under Voltage Lock Out)穩定性,當進入工作電壓不低于欠壓鎖閉電長期,會強制性要求踢出的內部P端口驅動程序氯化鈉晶體管。除此以外,UVLO驗測電壓電流為2.2V(TYP.)。
XCL301系例換為器因內嵌式CL發出電功效,確認在待機時,解鎖VOUT-VIN間的內轉換開關,將運用內電阻器解放CL的自由電荷。經過該電流耐熱性,就能夠將轉換端電壓更快恢復正常到GND電平。

優點和缺點
讀取電流值:2.7V~5.5V
輸出電壓電流電壓電流:-3.3V
導出電壓電流高精準度:±2.0%
最好導出感應電流:-50mA@VOUT=-3.3V, VIN=3.3V (TYP)
內部自帶win7驅動:1.3Ω (Pch驅動下載器)
需要量感應電流:40μA (TYP.)
把控策略:PFM / 進行固定關機重啟時光PWM 自動化轉換調節
高速 負債瞬態反應:-50mV(VIN=3.3V,VOUT=-3.3V,IOUT=1mA→50mA)
PFM電開關感應電流:550mA
能力:
過流愛護用途
軟通電交流電上限功能模塊
CL自然自放電能力
UVLO
陶瓷圖片電容器
工作任務攝氏度面積:-40℃~+85℃
習慣節能環保想要:與EU RoHS規模表示、無鉛
TOREX光電器件常見出示COMS、調節器器、電子元元器件封裝封裝大家庭中的一員-二極管等元元器件封裝封裝,企業產品以小體積大小、特性非凡而著明。
東莞市立維創展社會受限品牌,優缺點分銷管理TOREX電原電子元器件,過多現貨黃金貨存,歡迎辭合作共贏。
商品詳情頁詳細了解TOREX請點擊進入://anchor-appliance.cn/brand/62.html