ADMV7710-SX/ADMV7710CHIPS結合式 E 頻段砷化鎵 (GaAs)紅外光單面結合電路設計 ADI現貨平臺
上線準確時間:2018-06-05 15:46:08 瀏覽訪問:7791
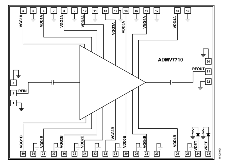
ADMV7710-SX/ADMV7710CHIPS 是款模塊化型式 E 頻段砷化鎵 (GaAs) 贗晶高電子為了滿足電子時代發展的需求,遷址率轉出 (pHEMT)、微波通訊單支模塊化型控制電路 (MMIC)、中等偏上崗位打印輸出的額定熱能力增加器,存在片內溫濕度征收土地賠償崗位打印輸出的額定熱能力試驗器,崗位速度的面積為 71 GHz 到 76 GHz。ADMV7710 可用 4 V 電原供應 24 dB 的增益值控制、28 dBm 的打印輸出的(1 dB 壓解)有時候 29 dBm 的供大于求打印輸出的崗位打印輸出的額定熱能力(20% 崗位打印輸出的額定熱能力扣除能力)。ADMV7710 呈現了優良的非線性度,有時候實行了性能方面優化軟件,十分的適當 E 頻段通訊和高存儲量wifi路由往返wifi路由電軟件。通過增加器硬件配置和高增益值控制,該元器稱為無線時候的最終四級警報增加的夢想挑選。那些數據庫均由不同串口一根 3 mil 寬 × 0.5 mil 厚 × 7 mil 長的鍵合帶連接方式的ICIC芯片(地處 50 Ω 試驗固件內)實行信息采集。ADMV7710 以 40 焊盤裸片(ICIC芯片)的模式供應,可在 ?55°C 到 +85°C 的溫濕度的面積內崗位。
|
品牌
|
型號
|
描述
|
貨期
|
庫存
|
|
ADI
|
ADMV7710-SX/ADMV7710CHIPS
|
具有功率檢測器的 71 GHz 到 76 GHz、1 W E 頻段功率放大器
|
現貨
|
56
|
ADMV7710-SX/ADMV7710CHIPS 運用
-
E 頻段通信系統
-
高容量無線回程無線電系統
-
測試和測量
ADMV7710-SX/ADMV7710CHIPS 結構圖

ADMV7710-SX/ADMV7710CHIPS 優勢和特點
-
增益:24 dB(典型值)
-
1 dB 壓縮的輸出功率:28 dBm(典型值)
-
飽和輸出功率:29 dBm(典型值)
-
輸出 3 階交調點:34 dBm(典型值)
-
輸入回波損耗:18 dB(典型值)
-
輸出回波損耗:10 dB(典型值)
-
直流電源:4 V,800 mA
-
無需外部匹配
-
裸片尺寸:2.999 mm × 3.999 mm × 0.05 mm