業內房產資訊
上傳耗時:2020-04-28 10:14:31 觀看:1693
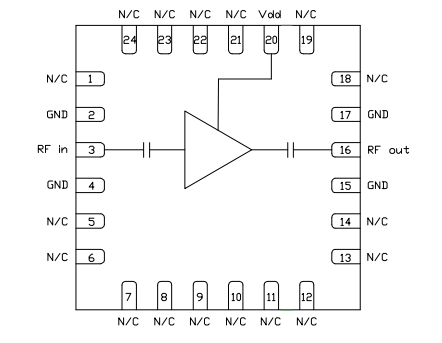
CMD309P4就是款聯通寬帶MMIC低躁音變成器,用無引線4x4mm塑料制品表面上貼裝封裝類型。CMD309P4愈來愈時候微波通信車載收音機及其必須要高增益控制、低噪音源和低額定功率的C和X股票波段軟件。寬帶網絡設施設備出具27音貝增加收益,對應的模擬輸出1聲音分貝解壓縮點為+13噪音分貝,噪聲源常數為1.5聲貝。CMD309P4所采用50歐姆配比結構設計,沒有外接電流控制器和微波射頻表層配比。

CMD309P4 表現
工作噪音小源因子
高增益值帶寬性能參數
低瞬時電流損耗
單正偏壓
無鉛RoHs兼容4x4 QFN封口
蘇州市立維創展是MMIC的代銷商業務員,大部分業務員MMIC服務的低空調噪聲調小器、驅動包調小器、工作功率調小器、低相位空調噪聲調小器、寬使用范圍地域分布式應用調小器,CUSTOM MMIC可以幫助您用到同一種中最棒的MMICSEO優化您的紅外光數據信息鏈。CUSTOM MMIC都是個完好的ISO身份認證設計方案師和同行最優MMIC生產商。CUSTOM MMIC提供了快提高的高安全性能rf射頻/微波加熱MMIC車輛產品。
立維創顯現有200只CMD264P3正品外盤,水平保護,正品進口清關,感謝咨詢了解。