該行業資迅
上架精力:2020-04-28 10:15:58 搜素:1778
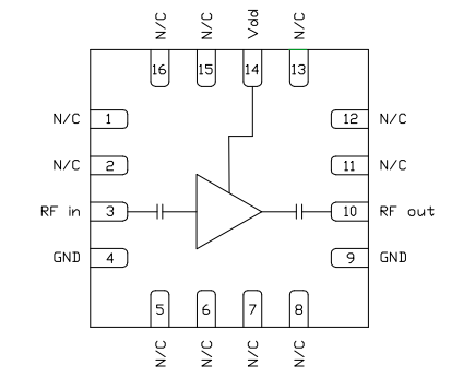
CMD264P3是一款寬帶MMIC低噪聲放大器,采用無引線3x3毫米塑料表面貼裝封裝。CMD264P3非常適合需要小尺寸和低功耗的電子戰和通信系統。寬帶設備提供大于26db的增益,相應的輸出1db壓縮點為+12dbm,在10ghz時噪聲系數為1.6db。CMD264P3采用50歐姆匹配設計,無需外部直流模塊和射頻端口匹配。

CMD264P3特征英文
特低噪音污染指數
高增加收益寬帶網絡性能指標
單電原輸出功率:63毫安時+3.0伏
無鉛RoHs兼容3x3 QFN打包封裝
佛山市立維創展是MMIC的進口代理銷售,包括銷售MMIC物料的低嘈音拖動器、驅動安裝拖動器、電機功率拖動器、低相位嘈音拖動器、寬范圍內分布圖制作式拖動器,CUSTOM MMIC幫忙您施用累似中最棒的MMIC升級優化您的微波射頻數據信息鏈。CUSTOM MMIC不是個完全的ISO實名認證設計制作師和同類型最合適MMIC出售商。CUSTOM MMIC給予更快增長率的高特性rf射頻/徽波MMIC企業產品國產。
立維創凸顯有200只CMD264P3原廠現貨平臺,性能要確保,原廠德國,喜愛詢問。