HMC904LC5/HMC904LC5TRwifi電下調頻器 ADI現貨平臺代理加盟商
發布公告日子:2018-07-03 13:45:37 搜索:2395
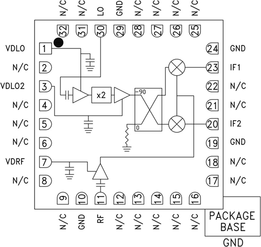
HMC904LC5有的是款主體工程型GaAs MMIC I/Q下調頻器,選用非常符合RoHS規定的無引腳SMT封裝形式。 該元器件供應12 dB的小數據信號互轉收獲、3 dB的噪聲源彈性系數,并在頻段領域內供應30 dB的iso映射抑止能。 HMC904LC5選用LNA,后接由有源x2倍頻器驅動軟件的iso映射抑止混頻器。
該系統鏡像文件軟件抑制性作用混頻器表明LNA后續不必安全使用濾波器,并可解決系統鏡像文件軟件頻繁 下的熱燥聲。 它擁有I和Q混頻器打出,要求外接90°混合物物型器材應用在選定 要求邊帶。 HMC904LC5是混合物物型系統鏡像文件軟件抑制性作用混頻器下調頻器模塊的大中型取代器材,兼容表貼打造新技術。
|
品牌
|
型號
|
描述
|
貨期
|
庫存
|
|
ADI
|
HMC904LC5
HMC904LC5TR
|
GaAs MMIC I/Q下變頻器,17 - 24 GHz
|
現貨
|
105
|
適用
-
雙向和點對多點兒無限電
-
軍工汽車雷達、EW和ELINT
HMC904LC5優勢和特點
-
轉換增益: 12 dB
-
鏡像抑制: 30 dB
-
2 LO至RF隔離: 45 dB
-
噪聲系數: 3 dB
-
輸入IP3: 0 dBm
-
32引腳5x5mm SMT封裝: 25mm2
HMC904LC5結構圖
