業信息
上線時光:2018-07-03 13:48:22 手機瀏覽:1993
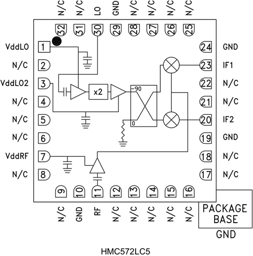
該鏡像抑制混頻器使得LNA之后無需使用濾波器,并可消除鏡像頻率下的熱噪聲。 它具有I和Q混頻器輸出,所需外部90°混合型器件用于選擇所需邊帶。立維創展 ADI現貨黃金 HMC572LC5為混合型鏡像抑制混頻器下變頻器組件的小型替代器件,它無需線焊,可以使用表貼制造技術。
| 品牌 | 型號 | 描述 | 貨期 | 庫存 |
| ADI |
HMC572LC5 HMC572LC5TR |
I/Q接收機,采用SMT封裝,24 - 28 GHz | 現貨 | 156 |
HMC572LC5優勢和特點
