HMC383LC4/HMC383LC4TR專用MMIC驅動包變小器 ADI現貨平臺代理費商
更新時間間隔:2018-06-29 13:42:06 閱覽:2345
HMC383LC4是款互通GaAs PHEMT MMIC動力變大器,采取復合RoHS準則的無引腳SMT芯片二極管封裝。 該變大器采取+5V單電,增加收益為15 dB,飽滿電電機功率為+18 dBm。 在整塊工作上頻率段內還具有保持一致的增加收益和所在電電機功率,而使應該在各個無線網電頻段安全利用一款互通的動力器/LO變大器。 隔直RF I/O自動匹配至50 Ω,安全利用便捷。 HMC383LC4采取復合RoHS準則的無引腳4x4 mm 芯片二極管封裝,兼容面上貼裝加工制造的技術。
|
品牌
|
型號
|
描述
|
貨期
|
庫存
|
|
ADI
|
HMC383LC4
HMC383LC4TR
|
中等功率放大器SMT,12 - 30 GHz
|
現貨
|
337
|
HMC383LC4應用
-
點對點無線電
-
點對多點無線電和VSAT
-
測試設備和傳感器
-
HMC混頻器LO驅動器
-
軍事和太空
HMC383LC4優勢和特點
-
增益: 15 dB
-
飽和輸出功率: +18 dBm
-
輸出IP3: +25 dBm
-
單正電源:
+5V (100 mA)
-
50 Ω匹配輸入/輸出
-
符合RoHS標準的4x4 mm封裝
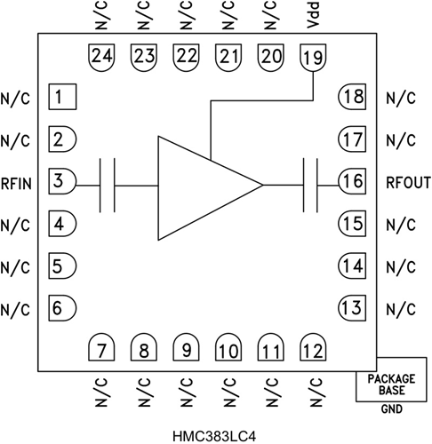
HMC383LC4結構圖
