HMC498LC4/HMC498LC4TR高日常動態比率耗油率增加器 ADI現貨黃金
上線耗時:2018-06-29 13:47:59 瀏覽器:2308
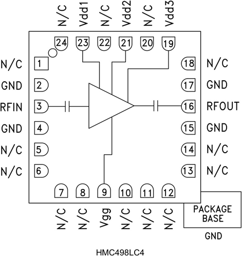
HMC498LC4是一種款高動態圖規模GaAs PHEMT MMIC中低電內容輸出增加器,用到無引腳“無鉛”SMT封口。 該增加器極具17至24 GHz的工作任務規模,保證22 dB增益控制、+26 dBm趨于穩定電內容輸出和23% PAE(+5V電電阻值)。 HMC498LC4背景燥音公式為4 dB,內容輸出IP3為+36 dBm(關鍵值),適用作低背景燥音前端開發相應推動增加器。 隔直RF I/O自動匹配至50 Ω,用不便。 HMC498LC4不用辦理線焊,可用表貼制作的技術。
|
品牌
|
型號
|
描述
|
貨期
|
庫存
|
|
ADI
|
HMC498LC4
HMC498LC4TR
|
中等功率放大器,采用SMT封裝,17 - 24 GHz
|
現貨
|
269
|
HMC498LC4應該用
-
點對點無線電
-
點對多點無線電和VSAT
-
測試設備和傳感器
-
軍用最終用途
HMC498LC4優勢和特點
-
輸出IP3: +36 dBm
-
飽和功率: +26 dBm (23% PAE)
-
增益: 22 dB
-
+5V(250 mA)電源
-
50 Ω匹配輸入/輸出
-
符合RoHS標準的4x4 mm SMT封裝
HMC498LC4結構圖
