該行業介紹
公布時候:2019-12-24 14:09:04 搜索:1876
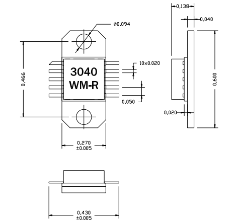
AM304031WM-EM-R是AMCOM的砷化鎵MMIC功率放大器系列的一部分。它有31分貝的增益和31在2.6到4.8GHz頻帶上的dBm飽和輸出功率。這個MMIC是一個陶瓷封裝,射頻和直流都有在較低層次的封裝,以促進低成本的SMT組裝到PC板。由于高直流功耗,我們建議將這些設備直接安裝在金屬散熱器上。AM304031WM-FM-R是AM304031WM-BM-R安裝在鍍金銅法蘭托架上。法蘭上有兩個螺孔便于擰上金屬散熱器。AM304031WM-EM-R有一個CuW法蘭,是正在逐步淘汰的AM304031WM-FM-R。這個MMIC是符合RoHS的。

AM304031WM-EM-R應該用
無線網絡智能互聯系統網連入
無線網原生環路
帶寬有線接入網(BWA)
AM304031WM-EM-R比較重要技術參數
速度:2.6-4.6GHz
增益值:31
P1dB(DBM):32
PSAT(DBM):32.5
速率:25
VD(V):8
杭州市立維創展科技公司是AMCOM大公司代理商權,其主耍微波加熱聯通寬帶企業產品以及rf射頻尖晶石管、MMIC輸出瓦數拖動器、交織拖動器組件圖片、光纖寬帶拖動器、高輸出瓦數拖動器組件圖片、帶RF和DC聯接器的高輸出放縮器模塊圖片和低噪音分貝放縮器,輸出放縮器,開關按鈕,衰減器,移相器與上/后面變頻器的全屋定制。