職業方式
上線事件:2019-12-24 14:39:50 查看:1786
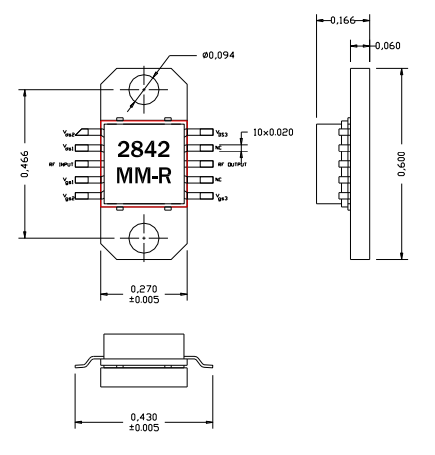
AM284233MM-EM-R是AMCOM的砷化鎵MMIC功率放大器系列的一部分。它有34分貝的增益和在2.8到4.2GHz頻帶上輸出33dBm的功率。這個MMIC是一個陶瓷封裝,有射頻和直流引線在較低層次的封裝,以方便低成本的SMT組裝到PC板。由于高直流功耗,我們建議將這些設備直接安裝在金屬散熱器上。AM284233MM-FM-R是AM284233MM-BM-R安裝在鍍金銅法蘭托架上。EM包與帶直管和銅/鎢法蘭而不是銅法蘭的FM封裝。有兩個法蘭上的螺孔便于擰到金屬散熱器上。這個MMIC是符合RoHS的。

AM284233MM-EM-RAPP
移動智能互2.連接網絡組網
有線本地化環路
雙軌無線網電
AM284233MM-EM-R更重要參數表
頻率:2.8-4.2GHz
增益控制:34
P1dB(DBM):33
PSAT(DBM):34
高效率:25
VD(V):8
長沙市立維創展技術是AMCOM品牌總經銷商,其大部分紅外光帶寬貨品收錄微波射頻多晶體管、MMIC瓦數擴大器、搭配擴大器板塊、寬帶網擴大器、高瓦數擴大器板塊、帶RF和DC聯接器的高熱效率調小器模塊電源和低嗓聲調小器,熱效率調小器,轉換開關,衰減器,移相器或者上/下方調頻器的個人定制。