相關行業快訊
公布的時長:2019-12-24 13:59:45 閱覽:1837
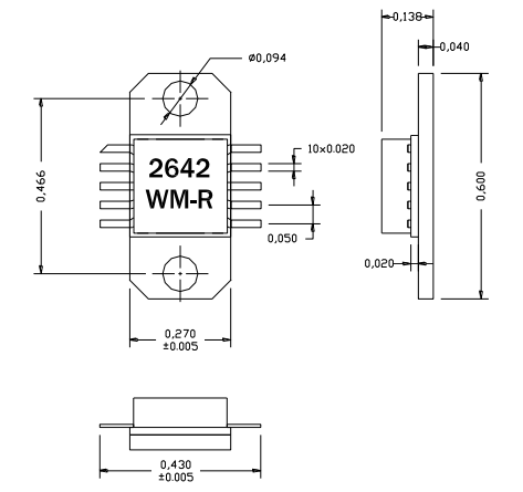
AM264240WM-EM-R是AMCOM的砷化鎵HiFET MMIC功率放大器系列的一部分。這是兩個階段GaAs-HIFET-PHEMT-MMIC功率放大器。AM264240WM-EM-R在輸入和輸出端都與50歐姆完全匹配,覆蓋2.6歐姆至4.2GHz。它有20dB的增益和40dBm的14V輸出功率射頻和直流引線位于封裝的較低層,以便于將低成本的SMT組裝到PC板上。因為直流電功率大散熱,我們強烈建議將這些設備直接安裝在金屬散熱片上。AM264240WMFM-R是安裝在鍍金銅法蘭托架上的AM264240WM-BM-R。EM包有相同的封裝外形為FM封裝,采用直引線和銅/鎢法蘭代替銅法蘭是法蘭上的兩個螺孔,便于擰到金屬散熱器上。這個MMIC是符合RoHS的。

AM264240WM-EM-R用
PCS輕微蜂窩基站設備
GPS軟件應用
WiMAX
WLL
10V–15V廣泛應用
AM264240WM-EM-R為重要參數指標
的頻率:2.6-4.2GHz
收獲:20
P1dB(DBM):39
PSAT(DBM):40
熱效率:35
VD(V):14
珠海市立維創展科技創新是AMCOM品牌代理商費,其是指徽波寬帶網的產品是指微波射頻多晶體管、MMIC最大熱效率變大器、混合著變大器電源引擎、寬帶網變大器、高最大熱效率變大器電源引擎、帶RF和DC鏈接器的高額定工率拖動器模快和低噪音拖動器,額定工率拖動器,打開,衰減器,移相器及及上/底下調頻器的設計。