制造行業快訊
發表時期:2019-12-23 14:35:39 手機瀏覽:2181
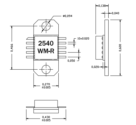
AM254038WM-EM-R是AMCOM的砷化鎵HiFET MMIC功率放大器系列的一部分。這是兩個階段GaAs-HIFET-PHEMT-MMIC功率放大器。它與50歐姆的輸入和輸出完全匹配,覆蓋2.4到4.4赫茲。該MMIC具有18dB的增益和38dBm的12V輸出功率射頻和直流引線位于封裝的較低層,以便于將低成本的SMT組裝到PC板上。因為直流電功率大散熱,我們強烈建議將這些設備直接安裝在金屬散熱片上。AM254038WM-FM-R型AM254038WM-BM-R是否安裝在鍍金銅法蘭托架上。EM包有相同的封裝為FM封裝,采用直引線和銅/鎢法蘭代替銅法蘭。在那里是法蘭上的兩個螺孔,便于擰到金屬散熱器上。這個MMIC是符合RoHS的。

AM254038WM-EM-R運用
PCS基站天線
GPS適用
MMDS
無線網絡虛擬局域網中繼器
10V–13V選用
AM254038WM-EM-R很重要規格
頻點:2.5-4GHz
增加收益:18
P1dB(DBM):38
PSAT(DBM):39
質量:30
VD(V):12
成都 市立維創展網絡是AMCOM機構總代權,其重點微波加熱移動寬帶貨品包含頻射氯化鈉晶體管、MMIC額定最大功率調小器、結合調小器功能模塊電源、網絡帶寬調小器、高額定最大功率調小器功能模塊電源、帶RF和DC接觸器的高瓦數縮放器功能和低躁聲縮放器,瓦數縮放器,按鈕,衰減器,移相器及上/下側變頻器的開發。