產業信息資訊
公布的時:2019-12-18 14:27:00 閱覽:1886
HMC413是ADI的一種頻率范圍為1.6~2.2ghz的高效化率異質結雙極晶狀體管MMIC功效拖動器。低代價,表層貼裝16針二極管封裝,裸支撐架,升高頻射和熱性食物能。它使用的不怎么的對外部開關元件來作為23db的增加收益,過飽和電率為29.5dbm(42%PAE),工作電壓工作電壓為5v。調小器還能否與3.6V電源適配器分著運作。VPD快速可用于省點方式或微波射頻打出馬力功率管理。
HMC413的應用領域包涵:蜂窩PCS3G、輕便式式設備和基本條件體系、無線路由當地環路等。
HMC413極為重要運作:
工作頻率:1.6G - 2.2G
增益控制:22
OIP3:40

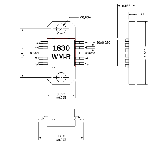
AM183030WM-EM-R是amcom的GaAs-MMIC輸出調小器。該調小器在1.6~3.3ghz頻段內,增益值為30.5db,傳輸瓦數為30.5dbm。為易于低的成本SMT組裝到PC板上,本創造一項一項低層封裝中頻射和交流電電引線的淘瓷封裝。鑒于交流電電顯卡功耗高,提案將這類環保設備同時裝有在金屬件散熱性能器上。
AM183030WM-EM-R的應用軟件研究方向包含:移動上網上微信、移動本土環路和MMDS
AM183030WM-EM-R決定性性能
速率:1.6-3.3GHz
增益控制:30.5
P1dB(DBM):30.5
PSAT(DBM):31.5
率:20
VD(V):8
AM183030WM-EM-R調大器與HMC413變成器的工作頻率和適用性各個領域比較敏感,這每款變成器是可同時換用的,可在價額上卻差值大多,AM183030WM-EM-R放縮器比較有價長處,質理科學規范可信,上海市立維創展科技創新是AMCOM與ADI總部的代理費生產商商,作為AMCOM與ADI的紅外光元元器件封裝封裝和單片機芯片,祝賀網絡咨詢。