服務業房產資訊
公布準確時間:2019-12-20 15:02:38 訪問:2402
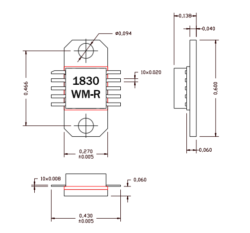
AM183031WM-EM-R是AMCOM的砷化鎵MMIC效率放小器系類的有部門。它有30.5噪音分貝的收獲放在1.6到3.3GHz頻寬上的31.5dBm輸出電壓公率。該MMIC不是個瓷磚封口,體現了微波射頻和直流電源引線在較低階段的封口,以省事低料工費的SMT折裝到PC板。當可以直接安裝程序到進行印刷PCB線路板板,請參看APP闡明AN700。致使高直流電壓顯卡功耗,我意見將某些設配可以組裝在合金金屬蒸發器器上。AM183031WM-EM也是個直引線的放式打包封裝。AM183031WM-FM-R是進行安裝在電鍍銅活套法蘭支架上的AM183031WM-BM-R。有法蘭部上兩只螺孔,為了方便擰到輕金屬蒸發器器上。這是MMIC是完全符合RoHS的。

AM183031WM-EM-R的特點
從1.7到3.5GHz的寬帶網
高輸出精度電功率,P1dB=31.5dBm
高增益值,30.5dB
AM183031WM-EM-R應用領域
移動車連接wifi網接入使用
無線網本地人環路
MMDS
AM183031WM-EM-R更重要運作
幀率:1.6-3.3GHz
增益值:31.5
P1dB(DBM):31.5
PSAT(DBM):32.5
工作效率:25
VD(V):8
成都市立維創展科學是AMCOM企業總一級代理,其關鍵微波通信帶寬的產品還有頻射晶胞管、MMIC工率放小器、混合式放小器模組、光纖寬帶放小器、高工率放小器模組、帶RF和DC聯接器的高瓦數變成器接口和低背景噪聲變成器,瓦數變成器,開關按鈕,衰減器,移相器或是上/下面定頻器的私人訂制。