制造行業報告、短視頻軟件
發布消息時期:2019-12-16 14:36:46 觀看:2589
HMC609LC4是ADI的單片低噪聲放大器,其頻率范圍為2-4GHz。它在整個工作頻段具有良好的平坦性能,包括20db的小信號增益、3.5db的噪聲系數和36.5dbm的輸出IP3。50Ω匹配放大器不需要任何外部匹配元件。HMC609LC4主要采用大儲電量汽車儀表盤棒技術研發,頻射IO隔離防曬進1步集成系統。
HMC609LC4用行業領域為穩定徽波、測式和預估機械、聲納和調節器器、攻沙和太空船等
HMC609LC4極為重要運作:
幀率:2 - 4GHz
增益值:20
OIP3:36.5
低燥聲標準值: 3.5 dB

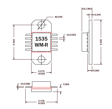
AM153540WM-EM-R是AMCOM的砷化鎵單支功效調小器。調小器與50歐姆讀取和傳輸完善一致,鋪蓋1.5至3.5赫茲。該單支集合電路板在14V下體現了21db的增益值和38.5dbm的輸出的額定功率,與打包封裝底層的標準面共面,為低總成本的貼片制做到PC板出具了的基礎。鑒于高直流電耗電量,當我們有力小編建議將此設備一直組裝在鋁合金cpu冷卻器上。FM部件是的安裝在銅卡箍支地上的BM元件。EM封裝與FM打包封裝同樣,運用鉛和銅鎢蝶閥卡箍片配用銅蝶閥卡箍片。蝶閥卡箍片有著好幾個螺孔,方便于擰到輕金屬散熱性能器上。這款MMIC是合乎RoHS的。
AM153540WM-EM-R技術應用范圍為PCS移動信號塔、GPS操作、MMDS、移動局域網ip中繼器和10V–16V應運等
AM153540WM-EM-R至關重要性能參數:
頻繁 :1.5-3.5GHz
增加收益:18
P1dB(DBM):39
PSAT(DBM):39.5
成功率:35
VD(V):14
AMCOM拖動器的實力度比如ADI,但AMCOM也是展覽認同的一線品牌形象,質量水平與使用率還可以與ADI相對較,最具資源優勢的一點兒是AM153540WM-EM-R變小器的費用比HMC609LC4還具有一定的長處,幾率相匹配、還是高效率性的產品。