制造業方式
正式發布準確時間:2019-02-26 17:10:10 瀏覽器:2203
| 品牌 | 型號 | 貨期 | 庫存 |
| ADI | HMC507LP5 | 1周 | 70 |
假如您須要買到HMC507LP5,請彈窗右測qq客服連系我!!!
應用
優勢和特點
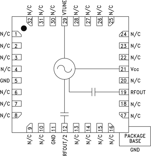
Fo/2 = 3.325 - 3.825 GHz
典型值為-115 dBc/Hz(100 kHz)

深圳市立維創展科技代理銷售ADI現貨產品,致力于為廣大客戶提供低價格、高質量、有保障的產品,提供優質的售前與售后服務技術。如您有任何產品需求以及服務請聯系我們客服人員,我們會再第一時間內為您解決問題。