HMC394LP4低噪音分貝GaAs HBT可語言編程5位計數器器 期貨
上線時刻:2019-02-26 17:20:32 搜素:1781
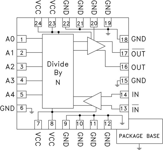
HMC394LP4(E)也是款低噪音污染GaAs HBT可程序設計5位篩選器,運用4x4 mm無鉛外層貼裝芯片封裝。 在鍵盤輸入工作頻點高達到2.2 GHz時,該器材可在N為2至32范圍之內使用連續性分頻。 輸出額定電壓擺幅為800 mV,占空比與N相差懸殊。100 kHz失衡時,該篩選器的加性SSB相位噪音污染低至?153 dBc/Hz,很適于低噪音污染工作頻點合出器應該用。
|
品牌
|
型號
|
貨期
|
庫存
|
|
ADI
|
HMC394LP4
|
1周
|
90
|
要是您要選購HMC394LP4,請點一側人工客服關系讓我們!!!
應用
優勢和特征
-
SSB相位噪聲: -153 dBc/Hz(100 kHz)
-
可選分頻:2至32
-
并行5位控制
-
寬輸入功率范圍: -20至+10 dBm
-
4x4 mm無鉛SMT封裝
示意圖

深圳市立維創展科技代理銷售ADI現貨產品,致力于為廣大客戶提供低價格、高質量、有保障的產品,提供優質的售前與售后服務技術。如您有任何產品需求以及服務請聯系我們客服人員,我們會再第一時間內為您解決問題。