HMC468ALP3E移動寬帶3位GaAs IC羅馬數字衰減器 現貨黃金
發布新聞的時間:2019-02-26 14:04:23 閱覽:1626
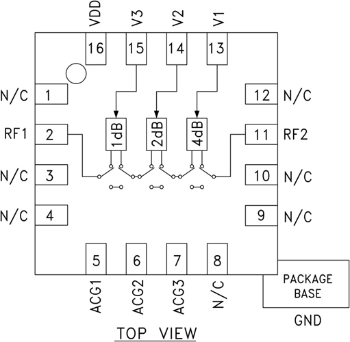
HMC468ALP3E是一個款寬帶網絡3位GaAs IC數字9衰減器,用低費用無引腳表層貼裝芯片封裝。 在DC到6.0 GHz幾率下業務,復制到不足大于1 dB具代表性值,最大提升4 GHz。 衰減器位參考值1 (LSB)、2和4 dB,總衰減為7 dB。 衰減精度等級相對高,具代表性步長確定誤差為±0.4 dB,IIP3為+55 dBm。 這幾個把控輸出功率顯示在0和+5V內更換,適用首選每種衰減狀態下。 必須+5V的每個Vdd偏置。
|
品牌
|
型號
|
貨期
|
庫存
|
|
ADI
|
HMC468ALP3E
|
1周
|
120
|
如若您需要購買HMC468ALP3E,請點擊右側客服聯系我們!!!
適用
-
蜂窩;UMTS/3G基礎設施
-
固定無線和WLL
-
微波無線電和VSAT
勝機和特性
-
1 dB LSB步進至7 dB
-
高IP3: +55 dBm
-
誤碼率:±0.25 dB(典型值)
-
每位單個控制線路
-
+5V單電源
-
3x3 mm SMT封裝
展示圖

深圳市立維創展科技代理銷售ADI現貨產品,致力于為廣大客戶提供低價格、高質量、有保障的產品,提供優質的售前與售后服務技術。如您有任何產品需求以及服務請聯系我們客服人員,我們會再第一時間內為您解決問題。