HMC447LC3低燥聲四分頻二次利用分頻器 外盤
分享時:2019-02-26 14:07:37 查詢:1720
HMC447LC3都是款低的噪音四分頻恢復分頻器,運用InGaP GaAs HBT技術軟件。 這個寬帶網分頻器的操作輸進頻繁為10到26 GHz,可連受極寬範圍的輸進電率標準。 HMC447LC3擁有-150 dBc/Hz的較低SSB相位的噪音(100 kHz偏置時),極其適宜在高規律鎖相環(PLL)中使用的,甚至這個程序中需要基波和分頻LO頻繁的本振(LO)合理安排軟件。
這車效果著力的分頻器施用獨立+5V正電原,顯卡功耗僅為96 mA,在額定工率帶寬起步必要條件下提供了更加出平整的輸出工率。 HMC447LC3主要包括不符合RoHS標準單位的3x3 mm的無引腳SMT封裝類型,更具漏出的與地面焊盤。
|
品牌
|
型號
|
貨期
|
庫存
|
|
ADI
|
HMC447LC3
|
1周
|
100
|
如果您須要購入HMC447LC3,請點選左邊博主練習讓我們!!!
HMC447LC3應用
-
點對點/多點無線電
-
VSAT無線電
-
光纖產品
-
測試設備
HMC447LC3優勢和特征
-
很寬的帶寬
-
超低SSB相位噪聲: -150 dBc/Hz
-
輸出功率: -4 dBm
-
單直流電源: +5V
-
符合RoHS標準的3x3 mm SMT封裝
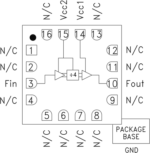
HMC447LC3示意圖

深圳市立維創展科技代理銷售ADI現貨產品,致力于為廣大客戶提供低價格、高質量、有保障的產品,提供優質的售前與售后服務技術。如您有任何產品需求以及服務請聯系我們客服人員,我們會再第一時間內為您解決問題。