業資訊新聞
分享準確時間:2019-02-20 16:00:57 瀏覽訪問:1719
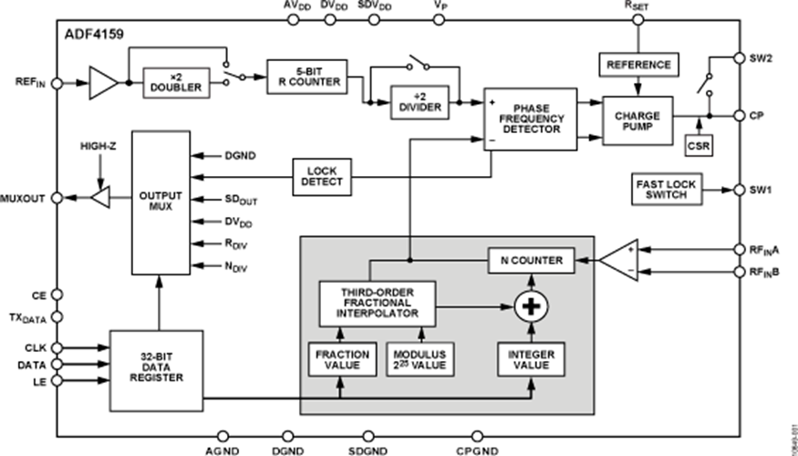
ADF4159WCCPZ由低噪聲數字鑒頻鑒相器(PFD)、精密電荷泵和可編程參考分頻器組成。 該器件內置一個Σ-Δ型小數插值器,能夠實現可編程小數N分頻。 INT和FRAC寄存器可構成一個總N分頻器(N = INT + (FRAC/225))。
ADF4159WCCPZ能夠用于滿足頻移鍵控(FSK)和相移鍵控(PSK)調制解調。 另外還有一下能夠用的幀率打印儀經濟模式,可在頻域內制造各式各樣波型,如波浪紋波和三角型波。 打印儀就可以設制為自動式對其進行,也就可以設制為能夠 外面電磁清理釋放4個部驟。 ADF4159WCCPZ具備有周跳提高電路系統,可進十步減短鎖住時刻,而不能不降重環路濾波器。 各個片內寄存器均能夠簡單化的二線式插口去保持。 ADF4159采用了2.7 V至3.45 V模仿24v主機電源和1.62 V至1.98 V數碼24v主機電源用電,不使用時就可以關斷。
| 品牌 | 型號 | 貨期 | 庫存 |
| ADI | ADF4159WCCPZ | 1周 | 100 |
使用
優勢和特點
示意圖
