HMC847LC5高速路4:1多路復接器 ADI外盤
公布日子:2019-02-20 16:15:19 搜索:1768
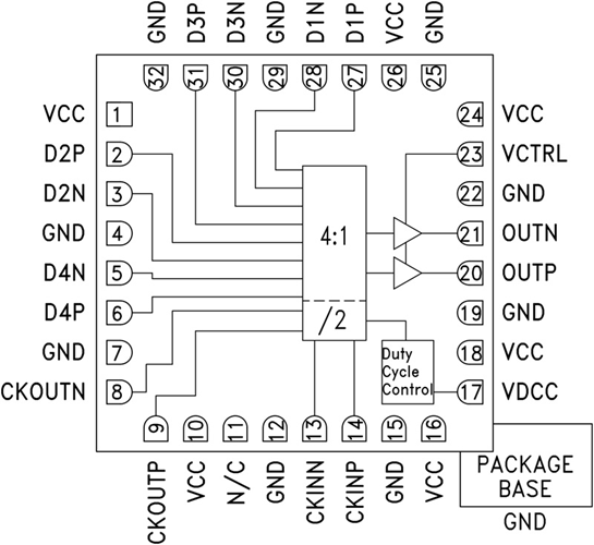
HMC847LC5一款4:1多路多路復用技術器,裝修設計廣泛用于45 Gbps數據顯示信息源串行利用。 多路多路復用技術器在傳輸數字石英鐘的換為點鎖存3個差分傳輸。 該元件使用的半時延數字石英鐘的回落沿和下跌沿來串行傳輸數據顯示信息數據顯示信息源。 片內生產1/4時延數字石英鐘傳輸,與HMC847LC5的數據顯示信息源傳輸同時。
HMC847LC5的各種石英鐘和參數打印傳輸/打印傳輸均應用CML并確認片內50 Ω端接至VCC,可應用洽談電或洽談交錯式耦合。 HMC847LC5的打印傳輸和打印傳輸可應用差分或單端配資運行。 HMC847LC5還融合一打印傳輸電平的控制引腳VCTRL,常用于自然損耗補償金或無線信號電平SEO優化。 VDCC引腳的控制參數打印傳輸交錯式點與占空比。 HMC847LC5應用+3.3V單開關電源供電局,提拱包含ROHS標的5x5 mm SMT打包封裝。
|
品牌
|
型號
|
貨期
|
庫存
|
|
ADI
|
HMC847LC5
|
1周
|
120
|
要是您必須 夠買HMC847LC5,請彈框左面人工客服結合.我!!!
HMC847LC5軟件應用
-
SONET OC-768
-
RF ATE應用
-
寬帶測試和測量
-
串行數據傳輸高達36 Gbps
-
高速DAC接口
HMC847LC5優勢和特點
-
支持高達36 Gbps的數據速率
-
半速率時鐘輸入
-
?速率參考時鐘輸出
-
快速上升和下降時間: 11/12 ps
-
可編程差分輸出電壓擺幅: 250 - 900 mVp-p
-
單電源: +3.3V
-
32引腳5x5mm SMT封裝: 25mm2
HMC847LC5示意圖
