Ka波長能夠放小器HMC-AUH256/HMC-AUH256-SX ADI現貨交易選擇
發布新聞時間間隔:2018-12-03 11:18:50 手機瀏覽:2134
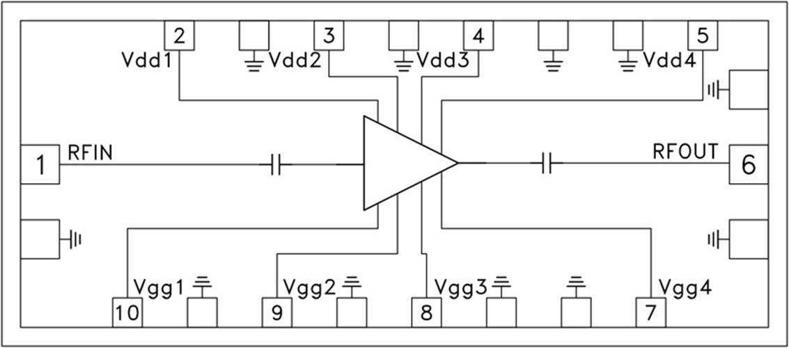
HMC-AUH256是款Ka股票波段GaAs MMIC HEMT3級能夠拖動器,辦公頻點范圍之內17.5至41 GHz。 原因的尺寸較小(1.93 mm2),該單片機電子器件可輕松愉快集成型到多單片機電子器件版塊(MCM)中。 HMC-AUH256在1 dB縮減點帶來21 dB的增加收益和+20 dBm的輸入熱效率,在使用+5V的偏置交流電源(295 mA)。 HMC-AUH256還可作作倍頻器。 保證倍頻器辦公的詳盡偏置的條件。
|
品牌
|
型號
|
貨期
|
庫存
|
|
ADI
|
HMC-AUH256
HMC-AUH256-SX
|
1周
|
200
|
|
如若您需要購買HMC-AUH256/HMC-AUH256-SX,請點擊右側客服聯系我們!!!
|
適用
優勢和特點
-
增益: 21 dB
-
P1dB輸出功率: +20 dBm
-
寬帶性能:
17.5至41 GHz
-
電源電壓:
+5V (295 mA)
-
小尺寸芯片:
2.1 x 0.92 x 0.1 mm
架構圖
