HMC7885FH18單存儲芯片微波通信ibms電線(MMIC)工作功率拖動器(PA)功能模塊 ADI期貨代里商
發布的時段:2018-06-19 16:42:54 手機瀏覽:2501
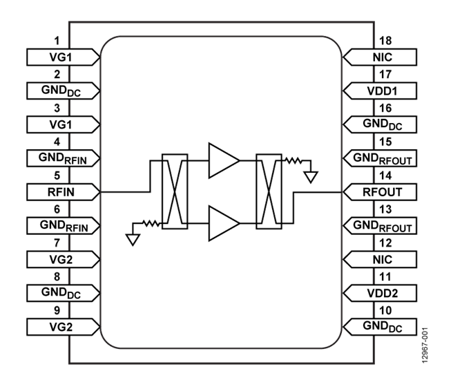
HMC7885FH18是一個款32 W氮化鎵(GaN)、單處理器紅外光版塊化電原線路(MMIC)熱效率變小器(PA)版塊,運轉速度條件為2 GHz至6 GHz,具備18引腳膠封版塊封口。該變小器常見具備21 dB小無線信號增益控制和45 dBm過飽和rf射頻(RF)傳輸熱效率。該變小器采取28 V直流變壓器電原的靜止顯卡功耗(IDD)為2200 mA。隔直RF設置和傳輸搭配至50 ?,的使用更方便。
|
品牌
|
型號
|
描述
|
貨期
|
庫存
|
|
ADI
|
HMC7885FH18
|
2 GHz至6 GHz,45 dBm功率放大器
|
現貨
|
78
|
HMC7885FH18應用
-
測試與測量設備
-
通信
-
電子戰(EW)
-
軍事
-
行波管(TWT)替換產品
-
SATCOM
HMC7885FH18優勢和特點
-
2 GHz至6 GHz
-
小信號增益:21 dB(典型值)
-
飽和RF輸出功率:45 dBm(典型值,POUT)
-
18引腳、密封模塊
-
工作溫度范圍為-30°C至+60°C
HMC7885FH18結構圖
