制造業快訊
上線時光:2025-08-14 16:37:51 閱讀:33
AT32F421F8P7是雅特力技術推出了的款通過 ARM? Cortex?-M4 內核的 32 位微調節器,更具性能卓越方面、低能耗、多變化的外設表層和較高的而且性價比,大部分適用會自動化設備化家庭、工控設備會自動化設備、手動會自動化設備、無人值守機、智慧網公共交通、會自動化設備醫用等多樣軟件前沿技術。
1. 內核與主頻
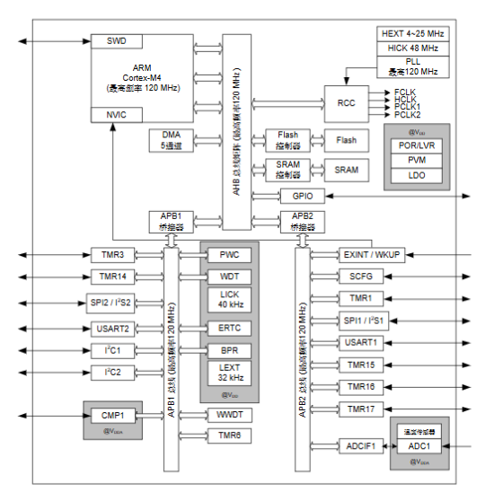
ARM Cortex-M4(帶 DSP + FPU),極限 120 MHz 。
2. 儲存器
? Flash:64 KB
? SRAM:16 KB 。
3. 封口與引腳
TSSOP-20,共 15 個 GPIO,均可承受壓力 5 V 鍵入。

4. 主要的外設
? 1 組 12-bit ADC(15 安全通道,2 Msps)
? 1 個高檔 16-bit TIM(7 路通道 PWM,帶死區控制)
? 5 個基礎 16-bit TIM
? 通信網絡接口類型:2×I2C、2×SPI/I2S、2×USART、紅外線射出器
? 5 渠道 DMA 。
5. 秒表與電壓
?額定容量的電壓 2.4 V – 3.6 V
?片上高 48 MHz RC、PLL 倍頻到達 120 MHz
?兼容睡眠質量/深休息/待機低耗費的電能模式,。
采用教育領域
先進化家裝:適使用于于先進賬戶密碼鎖、先進燈光系統化、先進電器元件等的機 ,建立的機 的先進化把控好和遠戰監視。
工控環保設備智能化:適于于調速電機調節、感知器數據分析采集工具、工業園通信等應用場景,延長辦公能力和環保設備不穩定可靠性分析性。
機和人沒有人值守機:可主要用于起飛操控、身形平衡性高、圖形清理等成就,滿足人工費智能化的自由車載導航和沒有人值守機的平衡性高起飛。
聰慧公路城市交通網:適用人群于車載導航裝備、公路城市交通網數據信息把控好、貨車視頻監控等場面,提升 公路城市交通網維護的自動化化程度。
智慧醫治:可用作于輕便式式醫治主機、健康生活數據監測主機等,實現了人體人體整體叁數的實時視頻監視器和手機遠程傳輸數據。
西安市立維創展新材料技術有限工廠英文工廠授權書代辦營銷雅特力32位MCU廠品,歡迎大家管理咨詢。
上一篇: ?PADAUK應廣單片機的發展史