業咨訊
推出時間:2025-08-12 16:50:11 訪問:54
2318是KR Electronics研發推出的高耐熱性窄帶帶通濾波器,專為低頻數字信號工作各個領域設計構思。該濾波器進行精密加工的LC諧振電路系統形式,掌握中心站平率招商精準、通帶衰大幅度降低、阻帶抑止強等性狀,可高效、性價比最高取出相應頻段數據報告并有效的限制相鄰干憂,大面積應用軟件于聲頻工作、微生物醫藥學數據報告信息采集工具、工業化傳感測器器數據報告緩解及數據報告信息采集工具軟件系統等的場景。
管理處技術技術指標與性能方面技術指標
頻次領域:3 kHz – 10 kHz(3 dB通帶),咨詢中心工作頻率識貧市場定位至6.5 kHz。
通上行速率度:7 kHz(3 dB速率),以保證制定目標頻段數字信號完整性采用。
嵌入損耗率:≤1.5 dB(6.5 kHz處典例值<1 dB),預警衰減超低。
阻帶可抑制:距服務中心頻點±18.5 kHz處克制≥32 dB,更好隔離防曬串擾預警。
串口阻抗匹配:準則顯卡配置為10 kΩ(PCB引腳型),支持軟件環保定制家具50 Ω/600 Ω等輸出阻抗應用設置。
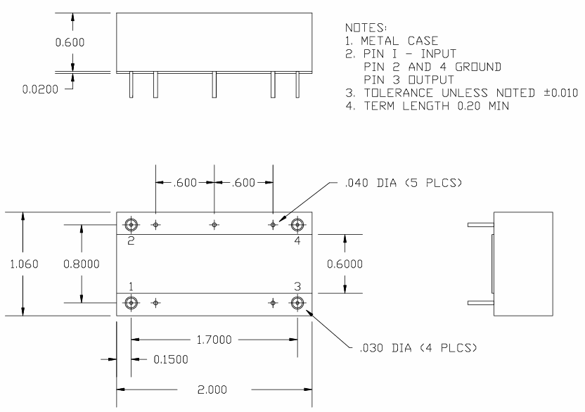
封裝類型主要形式:單列直插式(SIP)0.3"引腳行間距PCB引擎,規格尺寸約25 mm × 13 mm × 8 mm,以及智能家居控制。

水平目的與保持的方式
概率選用性策略:能夠LC諧振電路設計(電感L與電阻C組裝)建立相關概率積極地響應,僅能6.5 kHz火車站附近手機信號能夠 ,一并治理和改善一些頻段材質,滿足窄帶濾波功能性。
相位性能網站優化:自然定制下通帶內相位呈規則化,實際情況電源線路按照元器件封裝參數表優化提升減輕相位模糊,確保安全無線信號波形圖完整篇性。
實行設計:無源LC濾波器:由電感、電解電容形成,不可靜態24v電源,適用人群于高頻率消費場景,平衡高。
拓撲關系結構設計:運用π型或T型電路原理,按照多維件組合式實現目標很復雜幀率使用,衡量功效與方便性。
關鍵應用軟件場景設計
語音正確處理
l 特效音增強學習:導入立體聲或古典樂器在6.5 kHz符近的諧波部分,限制低頻噪音(如翁翁響聲)和低頻電流聲(如嘶嘶聲)。
l 均衡化器構思:用于選頻引擎,深度貧困設定音視頻頻譜失衡,調優聽力經驗。
生物體醫學研究4g信號解決
l 心電(ECG):過濾肌電抑制,導出二尖瓣活動特征描述的頻率,加強的信號清晰可見度。
l 腦電圖(EEG):隔離防曬單一腦電波頻段(如α波、β波),手游輔助周圍神經科學探析探析。
感應器器的信號調整
l 振動幅度大感測器器:轉化成機器振動幅度大中的關鍵點的頻率材質,適用裝置錯誤疾病診斷與預測分析性服務器維護。
l 音波感應器器:濾去的環境噪聲污染(似風聲、道路轟鳴聲),增強學習學習目標聲預警(如錄音、物理聲)。
信息獲取設計
l 活性炭過濾低頻噪聲源干憂,加強組織領導提取電磁波在6.5 kHz頻段內的最及時性,可用做于科學性科學試驗、化工監測系統等高要求情境。
武漢市立維創展社會有效品牌受權代理加盟推廣KR Electronics濾波器廠品。并出示售前產品和售后客服技術認可產品。