餐飲行業內容
頒布精力:2025-07-31 16:41:10 瀏覽記錄:81
GT-BGA-2000是Ironwood Electronics推行的兩款專業技術型GT Elastomer款型穩定BGA測式圖片插座就多留幾個,要借助其優秀的電子商務機械性能和穩定接觸因素,秉承于半導體器件區域中嚴厲的這個原型安全驗證、進一步功用測式圖片或者長期限廢棄化實驗室等目標技術應用區域。
主要癥狀
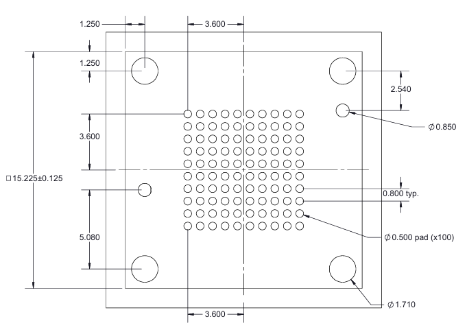
- 芯片封裝/厚度:直觀對焊到最終目標 PCB(需預開連接方式孔),無鉛無焊料施工施用,應用 BGA 封口。
- 高頻性能指標:選購GT Elastomer黏性體互連工藝,上行寬帶高達模型 94 GHz,數字信號耗費低(75 GHz 時≤-1 dB)。
- 不間斷公式
–自感:0.04–0.06 nH
–互感:0.003–0.024 nH
–互容:0.006–0.012 pF
–碰到阻值:<30 mΩ
–單針電流大小:5 A
–單針彈性:50–80g
- 機械設備年限:1000–2000 次插拔。
- 任務平均氣溫:-55 °C 至 +160 °C。
- 設備構造:帶可選轉易組裝頂蓋,有效于基帶芯片很快截取。

廠品性能指標
易拆御設定:GT-BGA-2000 用到了易換新的滑動插座開關蓋裝修設計方案,這一裝修設計方案不使觀眾就能夠便捷的按照用到和拆裝 BGA 元器,從而提高了研發檢查的有效率。
高信得過性:該護膚品完成堅持原則的的質量把控,加強組織領導了高信得過性和穩定的性,可以各式各樣高請求的測試方法環保。
用科技領域
- 實踐室或的包裝流水線中對 BGA 封裝形式IC 實現了特點認可、特點測驗與損壞可靠性試驗。
- 選主要用于 0.15 mm 及上面的 Pitch 的 BGA、CSP 等高端品牌封裝類型。
搭配與預購
- 需協調 Ironwood 功率道具動用,以加強組織領導維持壓縮的力并延后彈力體動用使用年限。
東莞市立維創展科技開發權限加盟Ironwood Electronics商品在中國國區銷售員與高技術服務性支持系統。熱烈歡迎諮詢。