職業資訊、短視頻軟件
發部用時:2025-07-18 16:27:21 閱覽:142
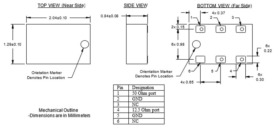
T0727J5012AHF是款成本低的費用、低剖面的亞微輸出阻抗互調節器,使用的簡易易用的的表面貼裝芯片封裝。尺寸大小為 2.0 mm × 1.25 mm,超高剖面設計的,變少 PCB 的空間,使用于性于高溶解度智能家居控制。光憑更小的擠占占地,該一個構件換用傳統的離散構件適合網格,使用于性于整體布局LTE通訊技術頻段700 MHz–2700 MHz。T0727J5012AHF具備高性、優越的相符性和安全防護不靠譜性。T0727J5012AHF有帶式和滾筒式2種,是讀取和存儲大規模量制造出的理想化抉擇。
穩定性參數指標
速度范圍圖:700 MHz– 2.7 GHz
阻抗匹配比:50 Ω→ 12.5 Ω
添加耗率:0.1 dB @ 25 °C;0.2 dB @ +85 °C
較高:0.84 mm
封口:0805(2012 Metric),卷帶(EIA-481-D)

特點
?低放耗用
?如此適宜LTE廣泛應用訴求設定
?可外表面裝置
?磁帶和護符
?非導電從表面層
?充分滿足RoHS標淮
?無鹵化
軟件優勢
?高收益費、高統一化性,適用人群于大量量活動設備、CPE、蜂窩電力等 LTE/5G 刷卡設備。
?兼容串連全新升級:4 只并接可將 12.5 Ω進一步推動減至 3 Ω,再串接 1 只就能控制50 Ω→3 Ω改變,充當高輸出 PA 或全向天線篩選。
?全端口設置內部管理 DC 共地,有助于加偏置;僅需外接串/并濾波電容就能改善回波損耗量。
適用領域行業
wlan通信技術:5G 通信基站、Wi-Fi 環保設備、微波射頻前面電源模塊。
平橫無線信號治理:差分縮放器、混頻器、濾波器等三極管的輸出阻抗搭配。
高頻電路結構設計結構設計:需要超小型化、高特點配電變壓器的環境。
河南市立維創展新材料技術是Anaren加盟品牌的銷售商,主要是給予貼片比調解耦器、巴倫電壓器、推遲線、定位解耦器、Doherty合路器、功分器、微蜂窩型交叉耦合器、 RF Crossovers產品,產品原廠貨源,極強價格優缺點,受歡迎了解和咨詢。