市場方式
發布公告周期:2025-06-13 16:38:59 預覽:342
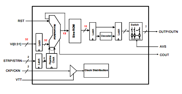
DS856-MA942C1是一種款由Euvis公司研發的高特點直接性數據頻繁 合成圖片器(DDS),全力于聲納檢測、電力網路、手機戰等高誤差速度警報行業內用使用需求定制。憑著超長速度超范圍、拿高鑒別率和低耗費的電能形態,DS856-MA942C1己成為取代ADI的DDS處理芯片(AD9851、AD9858、AD9914S-CSL)的理想的取舍,專門符合于對性知識能和料工費雙從敏感度的中高端層面。
最主要的性質
- 速度調諧判斷率:32位。
- 相位辯別率:13位。
- 震幅分別率:11位。
- 鐘表頻率:可多達3.2 GHz。
- 正弦交流電波轉為性能參數:在第二奈奎斯特波長內轉為高至1.6 GHz的正弦函數波。
- 讀取特征參數:帶50Ω反面終端相互依存虛擬仿真波形圖傳輸。
- 無雜散動態的範圍(SFDR):較差現象下>50 dBc。
- 能耗:獨自-5.0V電源線生產商,功耗測試為3.3W。
- 掌控的方法:兼容微掌控器或DSPIC芯片掌握,依據迅進程選通手機輸入更新時間頻次字和DAC內容輸出速度。
- 頻帶寬度更行率:高至8個秒表時間間隔。

勝機
- 性能較高指標:兼容高至3.2 GHz的掛鐘的頻率和1.6 GHz的正弦函數波行成效能。
- 拿高辨認率:32位頻率調諧簽別率和13位相位判定率。
- 低能耗等級:單獨的-5.0V電源線出售,功能損耗僅3.3W。
- 靈敏性:兼容微設定器或DSP處理芯片操作,技術選用于24小時啁啾等技術選用。
用領域行業
- 統計探測器設計與測試方法。
- 北斗衛星通信設備。
- 電子廠戰。
- 手機無線基站設備。
- rf射頻訊號源形成了。
- 醫療分析儀器和光電器件考試醫療分析儀器。
- 精致微波通信無線網絡幅度調制。
佛山市立維創展科技發展是EUVIS的進口代理供應商商,重點給予EUVIS的世界上頂尖級的飛速數模切換DAC、間接數字5頻帶寬度合并器DDS、重復使用DAC的單片機芯片級廠品設備,及及飛速爬取板卡、動圖波型的檢測器等廠品設備,原裝機現貨平臺,售價優勢可言,受歡迎咨詢中心。
DS856-MA942C1帶替AD9851、AD9858和 AD9914S-CSL,功能相比較:
性能指標/型號規格 | DS856 | AD9851 | AD9858 | AD9914S-CSL |
鬧鐘平率 | 3.2 GHz | 180 MHz(內壁倍頻至180 MHz) | 2 GHz(發送鐘表,要選二分頻) | 3.5 GSPS |
正弦交流電波產生程度 | 最高的人1.6 GHz(獨一奈奎斯特光波) | 最高的人90 MHz | 高400+ MHz | 可高達1.75 GHz |
率調諧判斷率 | 32位 | 32位 | 32位 | 32位 |
相位辯別率 | 13位 | 5位 | 14位 | 16位 |
振動幅度甄別率 | 11位 | - | 10位 | 12位 |
無雜散動態數據使用范圍(SFDR) | >50 dBc | - | 表現出色(特定結果因APP而異) | - |
耗電 | 3.3 W(單一-5.0V交流電源) | 2 W(典型的值) | 2.5 W | - |
上一篇: 高速模數轉換器ADC時鐘極性與啟動時間