這個行業介紹
發表用時:2025-05-29 16:38:27 瀏覽記錄:337
在AI工作器和繞城高速信息傳導各個領域,端口車聯電子器件的特性會直接選擇了軟件系統的局部效應。不斷地PCIe 5.0技能的普及性和AI作業裝載的暴炸式的增長,中國傳統工作方案V24B3V3C100BL已不斷顯現出來短板,而CHB100-24S33通過其高質量方面,成本低的費用、交貨期短,變成 V24B3V3C100BL的科學規范充當會選擇。
運作評測
技術指標 | V24B3V3C100BL | CHB100-24S33 |
插入工作電壓領域 | 18-36VDC | 18-36VDC |
讀取電阻值 | 3.3V±1% | 3.3V±1% |
輸入電流大小 | 100A不間斷/110A閥值 | 100A間斷/110A最高值 |
生產率(滿艙) | 92% | 91% |
工作上溫暖 | -40°C至+100°C | -40°C至+85°C |
分隔電壓電流 | 2250VDC | 1500VDC |
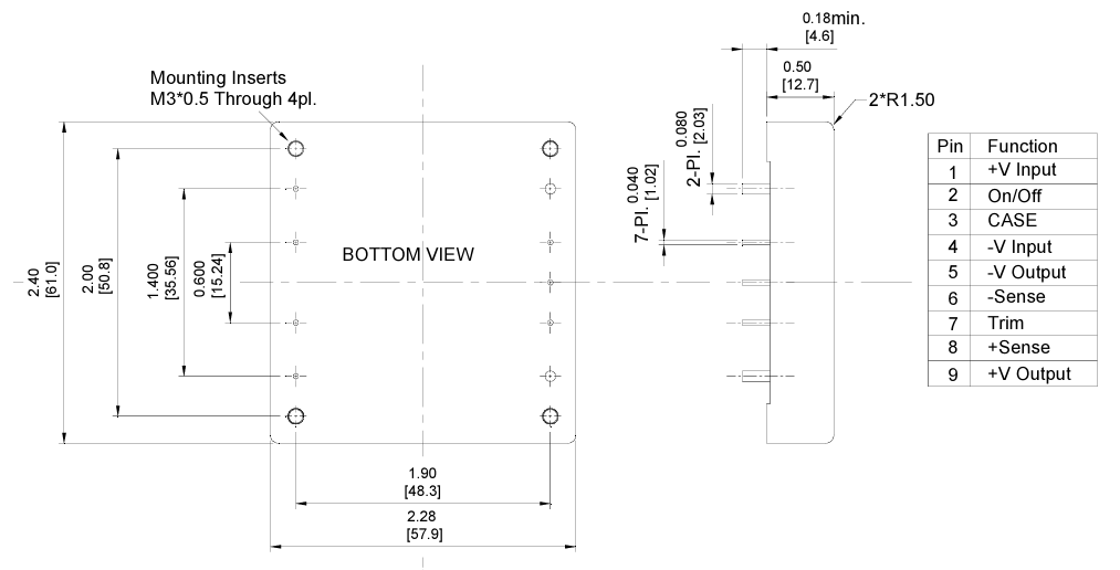
長寬高 | 33.0×22.6×7.3mm | 58.4×36.8×12.7mm |
體重 | 約25g | 約80g |
MTBF | >1,000,000鐘頭 | >500,000每小時 |

代換可行性報告性
能配對:CHB100-24S33在錄入端直流電壓范疇、打印打印輸入輸出端直流電壓、打印打印輸入輸出感應電流和打印打印輸入輸出額定功率上與V24B3V3C100BL全一致,才可以無法相同之處的用途業務需求。
質量強勢:CHB100-24S33的質量高達大約89%,在功效方向將強于VICOR的的產品。
做工作平均溫度區域:CHB100-24S33的做工作溫濕度規模更寬,為-40℃至100℃,比起來一下,V24B3V3C100BL的運作濕度標準為-25℃至100℃。
屏蔽電壓值:V24B3V3C100BL的防護隔離交流電壓為3000VDC,而CHB100-24S33的分隔電壓降為1500VDC,在高分隔電壓值消費需求的適用中,VICOR的產品將會更具有優缺點。
需特別注意的差距點
打包封裝長度:
VICOR適用ChiP封口(更寬敞,33.0×22.6×7.3mm)
CINCON使用標準規定1/4磚(58.4×36.8×12.7mm)
風扇散熱制作:
VICOR信息模塊搭載下方風扇導熱和上方風扇導熱
CINCON模快大部分能夠 左下角,散熱處理
調控標準接口:
VICOR打造PMBus自然數管理接口類型
CINCON為模擬訓練管控(需核驗具有app供需)
東莞市立維創展科技發展是CINCON主機電源接口的批發商代理商商,供應CINCON電源引擎引擎的DC-DC變換器、AC-DC外接電源、LED供電等,貨品正品國外進口,的質量服務保障,非常市場價格強勢,熱烈歡迎咨詢服務.