行業中資訊新聞
正式發布時段:2025-04-28 16:35:21 預覽:437
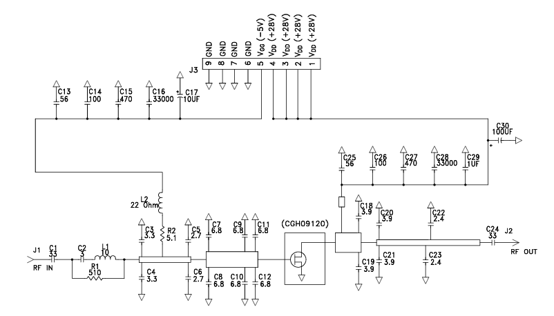
CGH09120F就是一款由 Wolfspeed(原CREE科銳)企業生育的高智能轉遷率納米線管(HEMT),使用氮化鎵(GaN)新技術,更具提高有效率率、高收獲和寬帶網專業能力,可以移動寬帶信息外理,更是要格外重視更適合需要技術性的頻率調低的裝置。

關鍵性能指標
幾率範圍:UHF 至 2.5 GHz。
工率所在:120 瓦。
增益控制:21 聲貝。
做工作直流電壓:28 V。
二極管封裝行駛:瓷器/金屬材質法蘭盤封裝類型。
成功率:在 20 W PAVE 時限比率為 35%。
應該用優點:不支持特別數字8預失幀(DPD)效準。
的技術的對比與優勢與劣勢
叁數 | CGH09120F | 硅基LDMOS | 自己的名字 |
頻次最大值 | 2.5 GHz | 一般而言<1 GHz | GaN在低頻下生產率極高 |
工作效率比熱容 | 4.3 W/mm2 | 約1 W/mm2 | 是和主體工程型設置 |
能力(PAVE) | 35% | 20%~25% | 有效變低操作系統耗電量 |
熱導率 | 1.2°C/W | 2.5°C/W | 選擇的導熱性能 |
應用領域
無線網安全可靠通信信號塔
看做 LTE、WCDMA 或 MC-GSM 移動基站設備功效縮放器的基本電子元件,保證高效化率、高線性網絡的微波射頻衛星信號縮放,變低移動基站設備能效比與操作總成本。
適合于多載波整合(CA)景象,可以通過 DPD 技藝提高多載波數字信號的波形度。
雷達探測與電子戰程序
在統計射出機中構建移動寬帶警報的便捷縮放,蘋果支持得判斷率激光散斑與最終目標探測系統。
適于于電子廠戰中的干攏機,體現高電率、光纖寬帶寬形態體現合理的數據打壓。
衛星信號紅外光通信與紅外光傳輸
在 Ka 頻段或 Ku 頻段北斗衛星通信設備設備中,看作最大熱效率增加電子元件,帶來保持穩定的數字信號增益值與輸出最大熱效率。
可用做于紅外光傳送數據文件鏈,鼓勵長短距離、高余量的數據文件傳導。
河南市立維創展高新科技是CREE的經售商,CREE品牌軟件包擴:LED心片、光照LED、背光LED、電原旋轉開關控制系統、頻射機器設備用LED和無線wifi電儀器。中鐵二院單憑其良好的生產商推廣方式,有持續的交易量以滿意國內整個市場的市場需求。受歡迎諮詢。