互聯網行業最新資訊
發布公告期限:2025-04-21 16:58:16 手機瀏覽:374
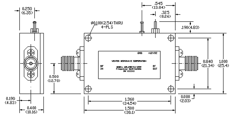
ALN4250-12-3535公厘波低噪音調小器(LNA)是WENTEQ平臺在直徑波通信網絡教育領域的最重要產品設備,密切應運于5G/6G微波網絡通訊、定位微波網絡通訊、雷達探測裝置等中頻環境。ALN4250-12-3535采取先進典型的光電器件方法(如GaAs、GaN)和小而精的專業化三極管定制,低頻噪音指數低至0.5dB,能夠可以抑制控制系統嗓聲,提高自己訊號流暢度。WENTEQ Microwave的公分波低燥音變成器借助其技木特點、高端定制化學習能力和成本投入管理效益,在全.球市場的就會占據為重要實力。
特殊性:
從40.0到45.0GHz的低燥音、高增益控制方法
低VSWR,無條件可靠
面積小,直接費用低
2.4mm的女性聯接器手機輸入/輸出電壓
想要單直流電外接電源,內嵌直流電壓設定器
做工作溫度-40~+75°C,保存水溫-55~+85°C
山東市立維創展新材料技術是WENTEQ的經售商,重點給出WENTEQ廠品涉及到圓形器、要進行隔離器、負載電阻末端等,廠品原裝機德國進口,線質量以確保,售價優越,歡迎詞顧問。

Parameters | Specifications | |||
Minimum | Typical | Maximum | ||
Frequency Range | GHz | 40.0 | 45.0 | |
Nominal Gain @25°C base plate temperature | dB | 31.0 | 35.0 | 38.0 |
Noise Figure | dB | 3.5 | 4.5 | |
P-1dB Compression Point | dBm | 15.0 | 16.0 | |
Output IP3 | dBm | 23.0 | 25.0 | |
Gain flatness | dB | +/-1.0 | +/-1.5 | |
Gain Variation over Temperature Range | dB | +/-1.5 | ||
Reverse Isolation | dB | 45.0 | ||
Input VSWR | - | 2.0:1 | 3.0:1 | |
Output VSWR | - | 2.0:1 | 3.0:1 | |
Spurious | dBc | 60.0 | ||
Operating Temperature | °C | -40.0 | +75.0 | |
Survival Temperature | °C | -45.0 | +85.0 | |
DC Power Supply Voltage | V | +12.0 | ||
DC Power Supply Current | mA | 250.0 | 300.0 | |
RF In/Out connectors | 2.4mm-Female | |||
DC Input Connector | Feedthru Pin | |||
Size | inches | |||