業內知識
發部期限:2025-03-19 15:38:20 訪問 :407
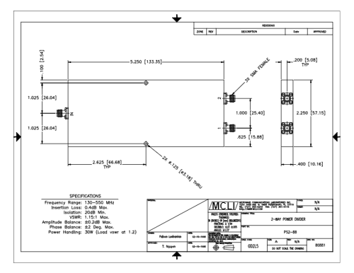
PS2-88馬力安排器是MCLI企業品牌開售的有款高效果紅外光射頻紅外光功率器件,歸于PS2系列表2路瓦數分派器。PS2-88最大功率配置原則器都是款高特點的rf射頻信息配置原則設配,應代替WiFi、5G等高頻溝通各種檢查環境。其寬頻寬、低插損和高隔開度的因素使其在頻射各種檢查中展示優質。
參數設置
類屬:2-Way Power Divider-Stripline
切分款式:縱向
PS2-88相連器:SMA 數據接口
PS2-88/NF連到器:N 接頭
最高速度范圍內 (GHz):0.13
明顯概率面積 (GHz):0.55
進到這一領域消耗的資金 (dB):0.4
要進行隔離 (dB):20
VSWR 搜索:1.15:1
VSWR 輸出:1.15:1
振動幅度均衡:0.2
相位平穩:2
電機功率動平衡 (W):30

商品優越性
高隔離開度:抓好數據信號合理安排時的干憂世界最大化。
低插損:少4g信號網絡傳輸中的養分財產損失。
寬頻段適配:遍布2-8 GHz,常廣泛用于多重溝通頻段。
設備可信性:塑料殼采取烤漆板加工,耐侵蝕、耐磨性能。
應用領域場面
頻射微波通信系統
通信網移動移動基站:于預警分路與鑲嵌,seowifi天線饋農電絡。
雷達天線設備:作收發員前邊的最為關鍵的元件,分發/組成高頻率數據信息。
軟件測試機械:在失量電腦網絡探討儀、預警源中成為預警確定輸出模塊。
工業生產與軍事鄰域
工業感測器器:用作高頻無線信號高速傳輸與確定,提高了系統性正規性。
警用無線通信:在抗串擾、高屏蔽度的標準的畫面中樹立關鍵性能力。
河南市立維創展科技開發局限廠家授權許可地區代理銷量MCLI成品,MCLI以高速高效能的加工過程和原用料料存量優越性,都可以構建高速生產方式和加工。MCLI合適ISO 9001:2000身份認證準則,并根據了MIL-I-45208和MIL-Q-9858A實名認證。歡迎語咨詢中心。