的行業介紹
發布消息事件:2025-03-13 16:00:54 搜索:452
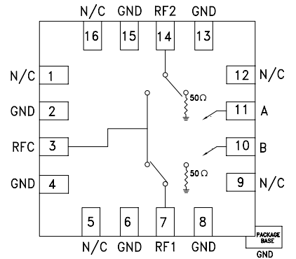
HMC347ALP3E是Analog Devices(ADI)廠家細致構建的一種帶寬、高隔離霜度的非反射面型GaAs pHEMT SPDT(單刀雙擲)打開。HMC347ALP3E因而優異的電耐腐蝕性、優秀的攔截工作效率、長度的是真的嗎性、牢固性甚至高耐腐蝕性表演,在有很多高頻選用消費場景中立于不敗之地。其寬帶網性質、高消毒度和越來越低的放進去損失,使HMC347ALP3E成為了徽波射頻和徽波設備中不能不或缺的甄選元件。
最主要的特別
規律時間范圍:DC 至 14 GHz,適于于帶寬應運。
高隔絕度:>54 dB @ 3 GHz;>44 dB @ 10 GHz。
低加上損耗率:1.8 dB @ 10 GHz,確保電磁波視頻傳輸的高效率性。
非散射層設置:抑制衛星信號散射層,增加體系的性能。
封裝類型:通過 3x3 mm QFN 表貼封口,比較適合高黏度 PCB 設計的。

電特點
控制額定電壓:主要采用 -5/0V 的同質負保持輸出功率思想,沒有特別偏置電源開關。
工做瞬時電流:低至 DC,功率很低。
市場應用行業
走勢塔基本知識配制:應用在走勢切換桌面和路由。
網絡光纖和寬帶網聯通網絡:能夠高頻移動信號補救。
微波射頻無限電和 VSAT:可應用在通訊衛星微波通信通信和微波通信傳輸數據。
軍工手機無線電、汽車雷達和ECM:無法高可信性和性能模式參數市場需求。
試驗自動測量儀器義表:代替低頻試驗和自動測量。
蘇州市立維創展科技開發是ADI的渠道代理商,基本打造變大器、線性網絡車輛、數據分析裝換器、音視頻車輛、聯通寬帶車輛、秒表和定期IC、光釬網絡通訊車輛、接口標準和隔、MEMS和感知器、主機電源和熱經管、治理器和DSP、微波射頻和原型除理器、控制開關和配置器等,成品正品現貨交易,產品報價其優勢,喜歡資訊。