的行業房產資訊
上架日期:2025-03-05 15:30:26 搜素:429
MASW-011105 一款由 MACOM 工廠產出的 GaAs(砷化鎵)單刀雙擲(SPDT)rf射頻面板開關。MASW-011105有著聯通寬帶穩定性、低耗率、高隔絕度和快打開高速度等優點。適用人群于四種高頻率廣泛應用環境中,如小行星光纖通信、5Gwifi手機數字、軟件測試和預估及及自動化戰和紅外光wifi手機數字電等。

設備優點
頻帶寬度條件:17.7 GHz 至 31.0 GHz
添加圖片材料耗費:1.6 dB 至 2 dB
底部隔離度:30 dB
面板開關進程:12 ns
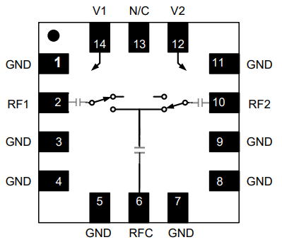
封裝種類種類:無鉛 3 mm × 3 mm,14 引腳 PQFN 的表面貼裝塑膠二極管封裝
操作室溫:-40℃ 至 +85℃
操控額定電壓:8.5 V
的耐熱性:
P1dB(1 dB 壓縮成點):24 dBm
IIP3(三階鍵盤輸入截取點):43 dBm
應用科技領域科技領域
定位微波通信:在遙感衛星無線通信系統中,須要高特點的旋鈕來事關數據信息的相對穩定互傳和開啟。
5G移動:5Gwifi手機網絡通信體系對開關按鈕的率回復時間和耗損率規范要求特別高,MASW-011105是可以提供這的要求。
測評和測定(T&M):在測試和校正主設備中,須要正確的觸點開關來調節預警的方向和屈服強度,MASW-011105的高安全性能和穩定可靠性使其變成了理想的決定。
光電戰和微波加熱無限電:某些操作必須要高功能的電開關來處置僵化的電磁感應區域和衛星信號加工處理各種需求。
北京市立維創展科技公司權限代理加盟MACOM車輛線,包括供應商MACOM的可變性增益值變成器,最大功率變成器,低燥聲變成器,規則化變成器,混合法變成器,FTTx縮放器,地理分布式數據庫縮放器,縮放器增益值模快,有源分離出來器,功分器,倍頻器,混合物式混頻器,混頻器,上直流變頻調速器,加數衰減器,加數移相器,額定功率檢查器,壓控衰減器等多半導體器件。如需進貨MACOM服務,請超鏈接左邊客戶諮詢!!!
Part Number | Package |
MASW-011105-TR0500 | 500 piece reel |
MASW-011105-TR1000 | 1000 piece reel |
MASW-011105-SMB | Sample Board |