行業領域資迅
公布日期:2025-02-20 15:48:11 瀏覽網頁:474
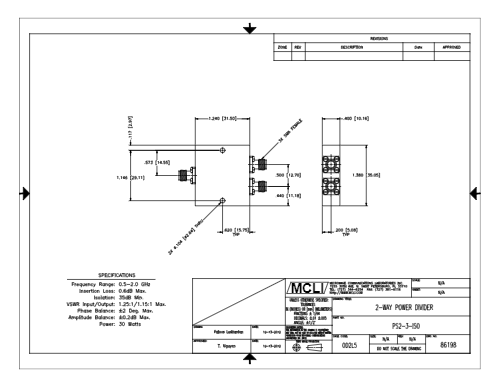
PS2-3-ISO帶狀線正向電機功率配置器由MCLI總部出產的含有極有學習效率率的工藝和原料料庫存量特點,MCLI的生產過程中 完全符合 ISO 9001:2000 身份驗證原則,并按照 MIL-I-45208 和 MIL-Q-9858A 等軍事科學標淮認可。PS2-3-ISO帶狀線交叉輸出最大功率都確定好工器具有優秀特性和普遍運用消費場景的輸出最大功率都確定好器。借助用到帶狀線規劃、交叉都確定好功能鍵同時SEO的技術工藝指標,使其已成為微波射頻/紅外光中的滿意選取。

主要參數
接連器:SMA母頭
最大的頻率范疇(GHz):0.5
最高頻次依據(GHz):2
嵌入損失(dB):0.6
隔離開度(dB):35
駐波比:1.25:1
駐波比打出:1.15:1
振動幅度平衡性:0.2
相位失衡:2
大概功效(W):30
做工作熱度(°C):-55至+95
應該用各個領域
通迅軟件:在基站全向天線和直放站等配制內,rf射頻數據瓦數被能夠地分配權至不同于的檢修通道或全向天線,以扶持數據的發射與讀取性能。列舉,在4G及5G通信技術網洛中,基站定向天線所發布的表現會被靶向地分發到很多定向天線做出新聞廣播,所以不斷擴大表現的包括地方并發展表現性能。
統計軟件:在統計軟件中,射出機的功效被合理的重新分配到其他全向無線天線單位,而且,根據諸多全向無線天線的收到的信號被提煉至收到機,開展了統計的探測系統耐磨性與辯別率。
紅外光加熱測式平臺:rf射頻紅外光加熱測式機械設備,比如表現源和頻譜探討儀,充分利用耗油率確定能力將表現表達至其它測試軟件端口設置,為各種各樣的主要參數的測定與探討展示 了便利店。
定位光纖光纖通信:在定位室內地坪站及定位分享到器等儀器中,數據信息電功率的配置與合成圖片技術設備保證了定位光纖光纖通信的安全運作與效率高互傳。
南京市立維創展科技有現總部有現總部選擇權選擇賣MCLI軟件,MCLI因其快捷優質的工藝技術和原資料料交易量優越,會推動快捷制作和制造技術。MCLI復合ISO 9001:2000v認證基準,并在了MIL-I-45208和MIL-Q-9858A證書。歡迎詞諮詢。