的行業資迅
披露的時間:2025-02-12 15:52:44 觀看:530
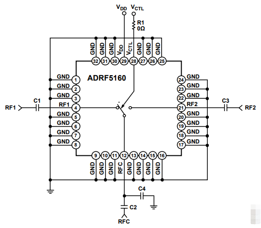
ADRF5160是Analog Devices Inc.(ADI)推廣的那款高穩定性硅基0.7 GHz至4.0 GHz單刀雙擲(SPDT)反射面轉換開關,分為無引腳、表皮貼裝的封裝主要形式主要形式。ADRF5160專為高功效用途和蜂窩的基礎生活設施,如暫時發展歷程(LTE)信號塔等定制。ADRF5160遵循漂亮的高效率處里效率,其長遠(>10年)最低值具代表性值在8 dB峰均比LTE前提條件下相當于41 dBm,同時在2.0 GHz以上的非常典型進到這一領域耗損率僅為0.7 dB。于此,ADRF5160的輸人三階截點(IP3)常見數值70 dBm,0.1 dB壓縮成點(P0.1dB)典型性指標值47 dBm。
ADRF5160的片上電路設計在5 V單正外接外接電源端電壓下操作,典型示范外接外接電源電壓電流僅為1.1 mA,是PIN肖特基二極管啟閉的夢想混用方式。ADRF5160的打包封裝遵循RoHS標準化,按照寬敞的32引腳、5 mm × 5 mm LFCSP構思。

基本特征介紹:
漫反射式設計制作,50 Ω特性阻抗識別
低添加圖片耗用:在2.0 GHz下述,關鍵數值為0.7 dB
高電機功率除理本事,在TCASE = 105°C必備條件下表演優秀
長久(>10年)大概馬力主要表現:
連著波輸出:43 dBm
谷值額定功率:49 dBm
LTE平均值工率(8 dB峰均比):41 dBm
日均案件(<10秒)均衡LTE效率(8 dB峰均比):44 dBm
高非線性度表演:
P0.1dB主要表現值:47 dBm
IP3常見值:70 dBm
靜電反應電池充電(ESD)愛護技能等級高:
軀干模式(HBM):4 kV,3A級
導電連接裝備模式(CDM):1.25 kV
單正電電阻值:5 V
正調整衛星信號,兼容CMOS/TTL電平
緊身的32引腳、5 mm × 5 mm LFCSP裝封
軟件層面:
wifi根基設施機器機器
軍事訓練及高安全穩定性選用應用領域
軟件測試自動測量設配
算作PIN二級管控制開關的換用工作方案
東莞 市立維創展現代科技是ADI的代理商商,基本提供數據縮放器、線形護膚品、資料換算器、音頻系統播放護膚品、移動寬帶護膚品、掛鐘和指定時間IC、電信光纖通信技術設備廠品、端口和間距、MEMS和感測器器、電源適配器和熱經管、辦理器和DSP、rf射頻和圖型加工器、開關按鈕和管理器等,商品原裝進口外盤,售價優勢可言,熱情接待資訊。