行業中內容
分享時段:2025-02-10 15:58:30 搜索:623
ALN3750-13-3335mm波低噪音變大器是mm波網絡通訊軟件系統中的基本配置文件,專為中頻無線信號變大而構思,特別是在應用做5G及前景6G網絡通訊、遙感衛星網絡通訊和統計體系等公厘波頻段采用。
特征參數:
概率的范圍:ALN3750-13-3335在35.0至40.0GHz頻段內具備低噪音、高增加收益的操作使用功能。
保持穩確定與配備:具有低交流電壓駐波比(VSWR),確保安全生產無具體條件增強,提高自己系統化整體上能力。
緊湊型城市發展:體積大小嬌小,人工成本整體高,更適合智能家居控制于多種多樣緊密型安全可靠生產設備中。
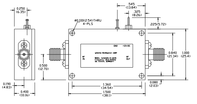
主板接口標淮:主要采用K型母接器算作發送/傷害端口,于與另一構件相連。
電源線供需:僅需多元化交流電端電壓送電,內置式端電壓調試器,簡易端電壓菅理。
濕度自我調節性強:業務溫度因素的范圍寬(-40°C至+75°C),存貯溫度超范圍(-55°C至+85°C),適應性多樣生態環境的條件。
耐腐蝕性:
較低背景噪聲公式:ALN3750-13-3335依靠自己專業的半導體器件工藝設備和精致細密的線路構思,控制了很低的嘈音污染指數公式,更有效克制系統化嘈音污染,偏態改善衛星信號清洗度。
高增加收益特征參數:為必須毫米左右波通迅對的信號程度的嚴峻必須,ALN3750-13-3335打造高增益控制轉換,以保證4g信號在傳導時延中保持穩定至少的的強度,變少衰減。
優秀的穩定義性:為防止自激自由振蕩和移動信號崎變,ALN3750-13-3335所采用多元化的平衡性形式或保持維持分析怎強工藝,提高認識在豪米波頻段內保持維持事情。
河南市立維創展科技發展是WENTEQ的經銷處商,關鍵展示WENTEQ商品涵蓋弧形器、隔離防曬器、負債終端機等,商品原版進口的,的品質確定,多少錢競爭優勢,感謝詢問。

Parameters | Specifications | |||
Minimum | Typical | Maximum | ||
Frequency Range | GHz | 35.0 | 40.0 | |
Nominal Gain @25°C base plate temperature | dB | 30.0 | 33.0 | 36.0 |
Noise Figure | dB | 3.5 | 4.0 | |
P-1dB Compression Point | dBm | 12.0 | 15.0 | |
Output IP3 | dBm | 18.0 | 22.0 | |
Gain flatness | dB | +/-1.5 | +/-2.0 | |
Gain Variation over Temperature Range | dB | +/-1.5 | +/-2.0 | |
Reverse Isolation | dB | 55.0 | ||
Input VSWR | - | 1.8:1 | 2.5:1 | |
Output VSWR | - | 1.8:1 | 2.5:1 | |
Spurious | dBc | -70.0 | ||
Operating Temperature | °C | -40.0 | +75.0 | |
Survival Temperature | °C | -45.0 | +125.0 | |
DC Power Supply Voltage | V | +8.0 | +10.0 | +12.0 |
DC Power Supply Current | mA | 150.0 | 230.0 | 280.0 |
RF In/Out connectors | k-Female | |||
DC Input Connector | Feedthru Pin | |||
Size | inches | 1.50×1.0×0.4 | ||