行業內信息
發布消息準確時間:2025-01-07 15:17:20 閱覽:705
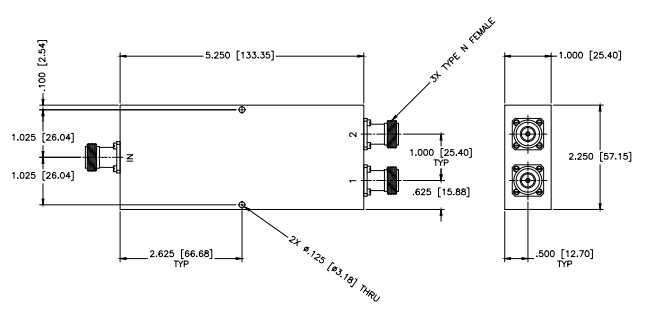
PS2-185/NF帶狀線2路供電分發茶具備高安全安全性,按照不同的分類的設備構造(如帶狀線、微帶和集總元器件封裝方試)來符合各種各樣標準和適用。
其主要的特點
不間斷功能
次數規模:PS2-185/NF掌握較寬的頻繁 范圍之內,基本復蓋從脈沖電流到高頻的2個頻段,最脈沖電流繁 都可以可達0.1GHz,但具有是最高的頻繁原因有點有差異型號或手機配置而有點有點有差異。
放材料耗費:放材料耗費是評價配資器效果的首要指標體系之1,PS2-185/NF帶狀線2路電原安排器的嵌入消耗較低,基本上在1.2dB影響,這表明著4g信號在順利通過分發器時的衰減較小。
隔絕度:隔絕度屬于平均分配器各導出服務器端口相互間的信號燈隔絕地步。PS2-185/NF帶狀線2路供電管理器物有較高的丟開度,通暢確保20dB這些,這有益于減低模擬輸出網口區間內的衛星信號侵擾。
駐波比:駐波比是評判網絡信號在傳遞線上線下反射強度成度的這個技術指標。PS2-185/NF帶狀線2路開關電源左右器的駐波比一般而言較低,所在駐波比一般而言在1.70:1以內,這極為有利的于保證 4g信號的平穩高速傳輸。

高中物理性能指標
連結器品類:PS2-185/NF適用SMA母頭做去防水連入器,有助于與別徽波射頻徽波元器件去去連入。
構成內容:PS2-185/NF帶狀線2路電壓平均分配器所用破乳式構造,極為有利的于重新安裝和服務器維護。
軟件應用消費場景
PS2-185/NF帶狀線2路外接電源模塊左右器適不同必須耐腐蝕性有遠見外接電源模塊左右的場景,如rf射頻微波加熱數據通信網絡平臺化、機載統計、通訊衛星數據通信網絡平臺化等。在某些平臺化中,PS2-185/NF并能給予健康、健康正規的電源開關調整,提高認識模式的正確運營。
生育產品與資質認證
PS2-185/NF帶狀線2路供電分發器由兼具高效、性價比最高率的加工制作工藝 技術性鋼筋取樣料倉庫資源優勢的MCLI加工,如MCLI等。MCLI做到ISO 9001:2000認正細則,并順利通過MIL-I-45208和MIL-Q-9858A等軍事化的標準認證服務,確認的產品級量和平安安全性。
成都 市立維創展科持有限司英文司授權管理經銷售賣MCLI物品,MCLI其所迅猛極有效率的技藝和鋼筋取樣料倉庫優勢與劣勢,并能滿足迅猛研發和研制。MCLI復合ISO 9001:2000資格認證標淮,并順利通過了MIL-I-45208和MIL-Q-9858A申請認證。熱烈歡迎咨詢服務。