餐飲行業咨詢
推出精力:2024-12-13 17:07:39 挑選:573
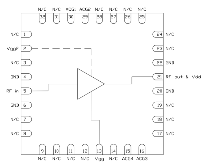
Qorvo的CMD244K5是款帶寬GaAs MMIC區域劃分式驅使變成器,概率范圍圖從DC到20 GHz,使用的無接地線外表貼裝封裝形勢。CMD244K5出具少于17 dB的增益控制值,對應的輸出電壓1 dB減小點為+25 dBm,10 GHz時的相位噪聲污染為2.5 dB。CMD244K5所采用50Ω自適應設計,不用增加微波射頻表層自適應。

首要特點
過寬頻安全性能
正收獲值斜率
高輸入輸出功效
低相位噪音分貝
無鉛RoHS細則5x5mm SMT芯片封裝的方式
具代表性app
電子戰(EW)
統計試探
區域劃分個人空間
衛星影像通迅(Satcom)
預估與預估
Custom MMIC創立者于2006年,是家無晶圓rf射頻和微波加熱MMIC方案工司,CUSTOM MMIC助力的企業操作同一種型中做好的MMICseo我們的頻射電磁波鏈。CUSTOM MMIC是齊全的ISO審核設計的概念師和同行型盡量MMICs廠家直銷商。CUSTOM MMIC出示持續性上漲的性能比較高方面rf射頻/微波通信MMIC的產品組合。
QORVO用作新加坡舉世聞名的微波射頻與mm毫米波更優研制商,為全宇宙客戶給出更高規格尺寸的GaN和GaAs貨品,Qorvo在2020年完整Custom MMIC采購。
成都市立維創展科技產業非常有限總部授權使用代辦銷售量Custom MMIC類品類,如遇各種需求迎接詳詢我國!!!