企業房產資訊
推出時間間隔:2024-12-04 17:07:06 搜素:682
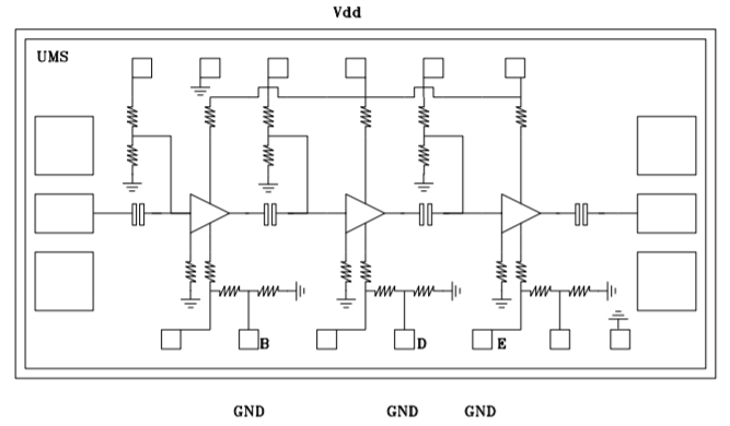
CHA2090-99F是款三階段自偏置寬帶網單面低嗓聲調小器。
CHA2090-99F運行標淮的0.25μm柵極長寬高pHEMT流程技藝設備,要根據板材上的孔、的空氣橋和網上束柵幻影刻技藝設備。
CHA2090-99F以單片機芯片結構類型提高。
基本有特點
網絡帶寬穩定性17-24GHz
2.0dB相位噪音污染
23dB增益控制,±1dB增益值鋪平度
低電流能力耗費,55mA
裝封長寬:2.17 x 1.27 x 0.1mm
上海市立維創展自動化十分有限介紹管理權限生產商UMS微波通信,真對部份規格的UMS成品保證高品質的外盤成品庫存管理,熱烈歡迎質詢。

| Reference | RF Bandwidth (GHz) | Gain | Gain Flatness | Noise Figure | P-1dB OUT | Bias | Bias | Case | |
| min | max | ||||||||
| CHA2090-99F | 17 | 24 | 23 | 1 | 2 | -10 | 55 | 4.5 | Die |