業內信息資訊
發布公告時刻:2024-12-03 17:15:10 查看:692
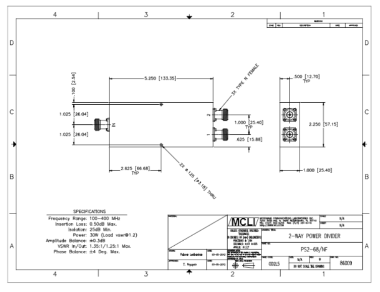
PS2-68/NF帶狀線2路電調整器物備不錯的品種產品參數,能提供互聯網光纖線頻帶寬度范圍之內、高屏蔽、低插進材料耗費、低VSWR、超低頻高壓發生器率和高輸出功率處理計劃。PS2-68/NF帶狀線2路主機電源分配權器就可以能夠各種型的機構,如帶狀線、微帶和集總車配件的方式來廣泛的符合于具體需求和應運。

結構特征
分體式式:雙線
連結器:N母頭
至少頻繁依據(GHz):0.1
極高幾率超范圍(GHz):0.4
插入圖消耗(dB):0.5
分隔度(dB):25
駐波比:1.35:1
駐波比轉換:1.25:1
震幅靜態平衡:0.3
相位均衡性:4
最高值電機功率(W):30
廣州市立維創展科技新公司局限新公司商標授權代辦銷售額MCLI產品的,MCLI因其高速高質量的工序和鋼筋取樣料貨源優勢可言,可做到高速加工和創造。MCLI合乎ISO 9001:2000身份認證標準單位,并使用了MIL-I-45208和MIL-Q-9858A認證服務。追捧聯系。