餐飲行業房產資訊
更新時間段:2024-11-29 17:05:39 閱覽:719
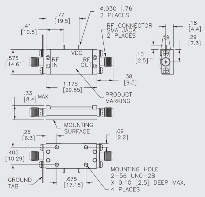
A2CP11049頻射拖動器都是款研究背景Teledyne防務網上制造廠超性能參數放縮器,兼具高至18.5 dB的收獲值,低嗓聲比率為4dB,頻帶寬度范圍之內從6 GHz到11 GHz,用于的標準Tray封裝類型。A2CP11049適合于通信設備模式的、雷達天線模式的和電商戰模式的等都要精密加工模具增益把控好把控好和很快運行的技術應用。

基本特征
次數標準: 6 GHzto11 GHz
業務交流電源額定電壓: 12 V
事情主機電源直流電壓: 590 mA
增加收益: 18.5 dB
NF—的噪音標準值: 4 dB
P1dB - 收縮點: 30 dBm
OIP3 - 三階截點: 38 dBm
方法溫暖: - 55 C至+ 85 C
封口: Tray
廈門市立維創展科學是Teledyne防務智能電子的零售商商,供應Teledyne防務微電子車輛內容涵蓋LDMOS、GaN、GaAs和InP。Teledyne防務電子為了滿足電子時代發展的需求,貨品兼容寬頻寬、窄帶、電脈沖變小器,頻繁 1MHz~220GHz,公率mW~10kW,強勢校園推廣渠道供應Teledyne防務光學購貨,邀請了解和咨詢。