的行業信息資訊
推出的時間:2024-11-05 17:41:59 瀏覽網頁:816
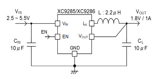
XC9285品類是TOREX電原的哪款嵌到P內孔能夠FET和N端口控制FET的1.0A導入整流減壓DC/DC轉型器。
XC9285開關電源額定電壓可以在 0.8V 至 3.6V 范圍圖之類以 0.05V 排距實行對應開發。僅有的外部鏈接系統是電感初級線圈和電阻器。
HiSAT-COT抑制迅速瞬態響應的技木是可以在負荷震幅其間將電原額定電壓降低更低,比較比較適合FPGA還有應該外接電源額定電壓能信性的設施等瞬時環境下轉變最大的技術選用選用。
按照軟件應用,可不可以用 SOT-25 和 USP-6C 選定擇裝封結構。

特征英文
插入的電壓:2.5V ~ 5.5V
電源適配器電流電壓范圍圖:0.8V~ 3.6V (±2.0%)
輸出精度工作電流:1.0A
規律范圍之內:1.2MHz
科學規范率:92%
電流值耗用:15μA
調節方案:HiSAT-COT調控
保護裝置設備:熱閉合
能力性:軟無法
鍵入打出電阻:兼容陶瓷制品電阻
工作任務壞境的溫度:-40℃ ~ 105℃
蘇州市立維創展信息技術介紹的英文公司的優缺點分銷商城TOREX供電集成電路芯片,很大現貨交易貨源,歡迎詞網絡咨詢。
款式 | 類 | 的輸出電阻 | 上班頻率 | 封裝形式 |
| XC9285A08CMR-G | 無CL電池充電,無出現短路護理 | 0.8V | 1.2MHz | SOT-25 |
| XC9285A0LCMR-G | 無CL充放,無串電愛護 | 0.85V | 1.2MHz | SOT-25 |
| XC9285A09CMR-G | 無CL電池充電,無斷路保養 | 0.9V | 1.2MHz | SOT-25 |
| XC9285A0MCMR-G | 無CL電流,無串電保護好 | 0.95V | 1.2MHz | SOT-25 |
| XC9285A10CMR-G | 無CL自放電,無出現短路保護的 | 1V | 1.2MHz | SOT-25 |
| XC9285A1ACMR-G | 無CL蓄電池充電,無串電保護的 | 1.05V | 1.2MHz | SOT-25 |
| XC9285A11CMR-G | 無CL蓄電池放電,無虛接維護 | 1.1V | 1.2MHz | SOT-25 |
| XC9285A1BCMR-G | 無CL尖端放電,無過壓保證 | 1.15V | 1.2MHz | SOT-25 |
| XC9285A12CMR-G | 無CL蓄電池充電,無發生故障呵護 | 1.2V | 1.2MHz | SOT-25 |
| XC9285A1CCMR-G | 無CL充放電,無發生故障庇護 | 1.25V | 1.2MHz | SOT-25 |
| XC9285A13CMR-G | 無CL充放,無過壓保護英文 | 1.3V | 1.2MHz | SOT-25 |
| XC9285A1DCMR-G | 無CL電池充電,無虛接保護 | 1.35V | 1.2MHz | SOT-25 |
| XC9285A14CMR-G | 無CL充放,無虛接自我保護 | 1.4V | 1.2MHz | SOT-25 |
| XC9285A1ECMR-G | 無CL尖端放電,無過壓保養 | 1.45V | 1.2MHz | SOT-25 |
| XC9285A15CMR-G | 無CL釋放電能,無虛接保護好 | 1.5V | 1.2MHz | SOT-25 |
| XC9285A1FCMR-G | 無CL自放電,無不導通保養 | 1.55V | 1.2MHz | SOT-25 |
| XC9285A16CMR-G | 無CL充放,無跳閘養護 | 1.6V | 1.2MHz | SOT-25 |
| XC9285A1HCMR-G | 無CL電池充電,無過壓確保 | 1.65V | 1.2MHz | SOT-25 |
| XC9285A17CMR-G | 無CL尖端放電,無發生故障自我保護 | 1.7V | 1.2MHz | SOT-25 |
| XC9285A1KCMR-G | 無CL自放電,無虛接防護 | 1.75V | 1.2MHz | SOT-25 |
| XC9285A1LCMR-G | 無CL充放電,無擊穿呵護 | 1.85V | 1.2MHz | SOT-25 |
| XC9285A19CMR-G | 無CL蓄電池放電,無發生故障庇護 | 1.9V | 1.2MHz | SOT-25 |
| XC9285A1MCMR-G | 無CL蓄電池放電,無燒壞呵護 | 1.95V | 1.2MHz | SOT-25 |
| XC9285A20CMR-G | 無CL發出電,無短路等問題防護 | 2V | 1.2MHz | SOT-25 |