業手游資訊
發布的事件:2024-10-31 17:21:25 閱讀:577
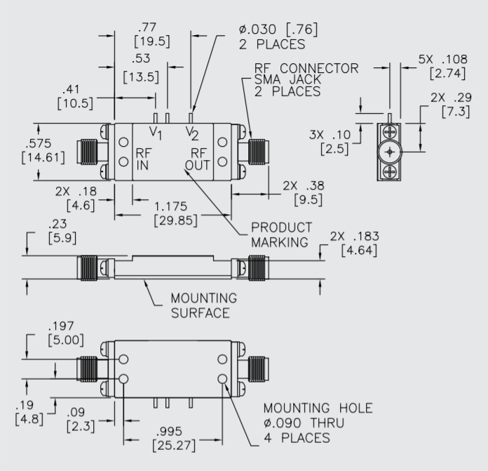
A2CP11039頻射變小器不是款研究背景Teledyne防務電子元器件生產的研發的高使用性能變大器,擁有高至12 dB的增益控制比率和4dB低相位噪聲源,的頻率區域從5.0-10.0 GHz。A2CP11039頻射拖動器當作通信設備軟件體統、機載雷達天線和網絡戰軟件體統等需用精密加工制造增益值操縱和有效治療的應用。

主要參數
過寬頻:5.0-10.0 GHz
高收獲:12.0dB
低相位噪聲污染:4.0dB
高效能透氣膜
高熱效率多級CougarPak?
互形象能
典范@25°C A2CP11039
二階諧波截取點+63 dBm
二階雙音捕獲點+57 dBm
三階雙音讀取點42 dBm
絕對化最快固定值
會自動儲存室內溫度-65至+150℃
上限金屬外殼熱度+125℃
高達電流的電壓+14伏
上限不間斷rf射頻鍵入耗油率+20 dBm
復燃平均溫度:125℃
熱導率1(θjc):4.5°C/W
結表面溫度少于(Tjc):88.4℃
武漢市立維創展社會是Teledyne防務光學的供應商商,供應Teledyne防務自動化產品設備區域LDMOS、GaN、GaAs和InP。Teledyne防務智能電子服務大力支持寬的頻率段、窄帶、脈沖激光擴大器,的頻率1MHz~220GHz,額定功率mW~10kW,優勢業務具備Teledyne防務電子購貨,熱烈歡迎了解。