行業內信息資訊
頒布耗時:2024-10-28 16:57:56 看:738
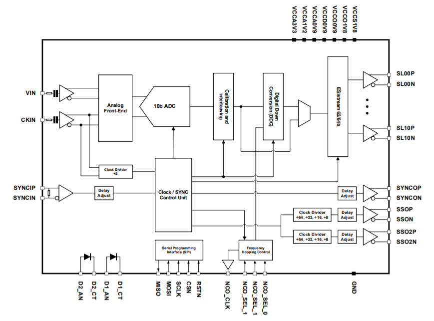
EV10AS940是款適用于10位Ka股票波段的單路系數換為器(ADC),抽樣率高至12.8GSps,職能消耗為2.5W。由集成系統化很多個NCO,必備加數下直流變頻(DDC)和跳幀(FH)結構性性,具備諸多數據安全通道。EV10AS940選擇有機化學基本材料封口形勢,可以改變極速和下行帶寬測試圖片控制。

有特點
33GHz(-3dB)虛擬仿真下行帶寬
高至12.8GSp
10位分別率
2.5W功能表消耗的資金
500mVpp滿分度值搜索高動態性面積
單端頻射和鬧鐘導入,帶板上直流電源塊和50Ω為了響應式
板上背上效正
自然數下直流變頻(DDC)
I/Q下交流變頻,有著2到1024比重
1個粗通道或最常4個細入口能否考慮
較快跳幀,具備專業級型選定性操縱和3跳界面:
相位初始化
相位陸續性
相位實行性(各類車道4個相位解鎖器)
支持于波束進行的數據時間延遲和可語言編程增益控制值
11個一起HSSL
ESIstream 62/64b合同樣本
多ADC導入效果
3.3V/1.8V/1.2V/0.9V面板電源開關線
效率的1.2V至1.8V SPI按鈕直流電源
16.0x17.6mm2有機酸FCBGA
排距為0.8mm的350個積分(SAC305)
最多環鏡溫度:-55°C(Tcase)至125°C(Tj)
RoHS(無鉛)
利用區域
衛星影像通信火箭發射設備,
電信光纖光纖通信系統化射出系統化,
機載聲納(SAR)釋放出系統
無線通訊衛星無線通訊、測控裝置、的數據徑路
電子器材戰(監控錄像/檢側)
軍用通信網絡軟件
軍用用餐飲業利用現貨黃金遙測設備
加數儲存示波器
高遙測體系
射電天文
鄭州立維創展高新科技是Teledyne E2V的代理商商,具體供應Teledyne E2V數模轉型器和半導,Teledyne E2V的運用區域收錄電力、半自動化系統、知道、醫療衛生、綠色環保等。的品牌優勢可言,熱烈歡迎管理咨詢。
上一篇: 高速模數轉換器ADC時鐘極性與啟動時間