服務業資訊、短視頻軟件
發布公告事件:2024-10-23 17:02:25 看:597
Synergy的KSFLOD12800-12-1280極低嗓聲鎖相變換器是種高穩定性的頻段有效的轉化解決處理細則,堅持創新驅動于其他領域相關的應運的需求來設計。KSFLOD12800-12-1280應用超高背景噪聲比率?和REL-PRO?專屬了能力,為核工藝水利工程航空航天工藝、中國電信手機網絡、工業自主化自主化、醫療保健醫療器、科持的研究等打造精準度的平率有效控制。

的特點:
出現異常嗓聲指數公式
Ku中波段源
里面的嚴格監督
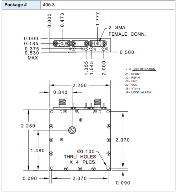
小封口
技術參數
概率(Fo)12.8 GHz
輸出精度工作功率≥+10dBm
參看顯示幾率1280 MHz
學習輸入電平+9至+13 dBm
電交流電壓Vcc(Vdc)Icc(最多mA)+12500
諧波(2*Fo)27 dB(較大值)
次諧波(3*Fo)37 dB(較大值)
導出雜散75 dB(世界最大值)
決定性頻帶寬度1 70 dB(世界上最大值)
讀取負載電阻輸出阻抗50Ω(標稱)
先進典型躁聲指數公式
偏差背景噪聲比率
@1 kHz-114 dBc/Hz@10 kHz-122 dBc/Hz@100khz-123dB/HZ@1MHz-138dB/HZ@10MHz-158dB/HZ位置檢測工具展現燈CMOS高(產品定位),CMOS低(地位)
操作流程溫度因素
選擇區域-20至+50°C
處理工作溫度用到范疇-40至+85°C
東莞市立維創展科枝是Synergy的生產商商,主要的供給Synergy微波通信壓控諧振器、結晶諧振器、鎖相諧振器、鎖相環聲音頻率煉制器、混頻器等品牌,品牌座落在俄羅斯北邊的之間路通道,短時間異常在我國投資者的實際需求。追捧質詢。