MAAD-011021-0GPDIE金額衰減器現貨黃金庫存管理MACOM
分享時刻:2024-10-15 17:37:16 訪問:695
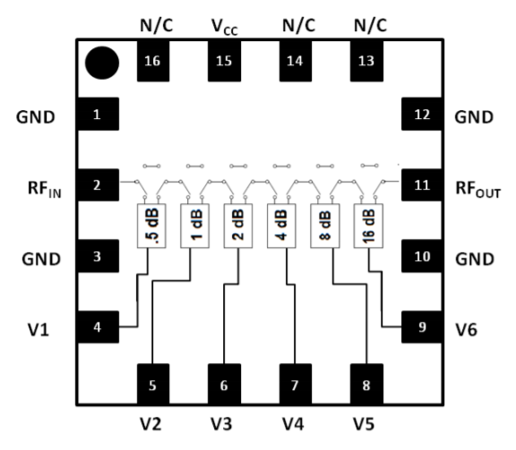
MACOM的MAAD-011021-0GPDIE是款覆蓋DC至30 GHz的寬帶6位數字衰減器。衰減位值為0.5 dB LSB(最低索引值)、1、2、4、8和16 dB,總衰減為31.5 dB。MAAD-011021-0GPDIE衰減偏差通常低于+/-0.5 dB,RMS相位偏移在20 GHz時低于5度,典型插入損耗在15 GHz時為7.2 dB。在大多數頻率和衰減情況下,插入損耗一般為12dB。
MAAD-011021-0GPDIE衰減器模塊化化某種三菱變頻柜器器,蘋果支持對并接/并接衰減確保簡單化控制。三菱變頻柜器器須要-5V觸點開關外接電源(VCC)和17mA的常見交流電量,思維模式性為0V/+5V。MAAD-011021-0GPDIE用做為裸片帶來了;

特性6位,0.5 dB LSB,31.5 dB施用範圍低均方根相位4.3°@20 GHz+/-0.5 dB其最典型的次方較差集成型TTL 0/+5V遠程控制DC至30 GHz安全使用所有有效控制與偏壓的ESD維護無鉛3mm 16管腳PQFN芯片封裝產品外形尺寸表述:數字5衰減器,6位,0.5 dB LSB步幅平均聲音頻率(MHz):0至高幀率(MHz):30000衰減器選擇超范圍(dB):31.5復制到自然損耗(dB):6.000六位數:6IIP3(dBm):38封裝類型:3mm PQFN-16LD芯片封裝類屬:PVC外面貼裝技術水平ROHS:YES東莞 市立維創展現代科技認證批發商MACOM類物料生產線,通常現貨供應MACOM的可變性增加收益擴大器,電率擴大器,低噪音污染擴大器,直線擴大器,結合擴大器,FTTx擴大器,分布不均式擴大器,擴大器增加收益包塊,有源破乳器,功分器,倍頻器,結合式混頻器,混頻器,上調頻器,金額衰減器,金額移相器,電率驗測器,壓控衰減器等許多種半導體芯片。如需選擇MACOM類物料,請點選右下人工客服顧問!!!