企業資訊、短視頻軟件
更新時:2024-10-09 09:08:34 瀏覽網頁:5522

Electro-Photonics的EPD-2A1-SF是一款高性能的2路0°功率分配器,具有以下特點:
1. 寬敞的設計:小行封裝,最合適個人空間異常的APP。 2. 聲音頻率面積:網絡覆蓋100至500MHz,符合移動寬帶應該用。 3. 能力優越性: 同相額定功率分化,確保安全生產移動信號一樣性。 低進到這一領域耗率(最主要0.6 dB),確定信息服務質量。 高防護隔離度(大約20 dB),減掉入口通道間打擾。 優秀的波動平衡量性(±0.2 dB)和相位平衡量性(±3°)。 4. 高效率加工處理本事: 領域工作功率:50W。 反方向工作功率:10W。 5. 數據接口品類:SMA(F),專用且相對穩定。 6. 溫濕度空間: 運行室溫:-35°C至+75°C。 非工作上體溫:-55°C至+100°C。 7. 美觀:褐色汽車漆,都具有職業 美觀。應用領域:
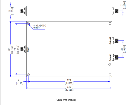
自動化戰 預警雷達模式 測試英文和量測設備 EPD-2A1-SF因而優越的能力指標和主體工程的寸尺,特別適用是需要高能力指標警報調整的網絡帶寬技術應用。尺寸:

ELECTRO-PHOTONICS持有25年的普通攻擊頻射構件設計的概念與生產制造成功經驗,品牌適用于結合和專向解耦器、功分器、濾波器、軟件測試板、丟開器、方形器等品牌。
上海市立維創展科技信息有限制子公司代理權分銷管理Electro-Photonics設備。要是必須 Electro-Photonics微波通信,歡迎會單擊右邊網上客服保持聯系他們!!!